Qorvo TQP9111 1.8GHz to 2.7GHz 2W Power Amplifier
Qorvo TQP9111 1.8GHz to 2.7GHz 2W Power Amplifier is a high-efficiency two-stage driver amplifier in a low-cost surface-mount package. The TQP9111 can achieve high performance with 46dBm OIP3 and 32.dBm P1dB. This TQP9111 features a compact system design with two high-performance amplifier stages are integrated onto a module for compact system design. The integrated inter-stage match minimizes performance variation that would otherwise be attributed to external matching component value and placement tolerances.The TQP9111 is available in a RoHS-compliant 4mm x 4mm Quad Flat No-Lead (QFN) package, ideal for space-constrained applications.
Features
- 1.8GHz to 2.7GHz frequency range
- 29.8dB typical gain
- 46dBm output IP3 at 14dBm/tone
- 32.5dBm P1dB
- Integrated interstage matching
- Bias adjustable
- Internal RF overdrive protection
- Internal DC overvoltage protection
- Shut-down capability
- 4mm x 4mm QFN20 package
- Halogen free, Pb-free, and RoHS compliant
Applications
- Wireless infrastructure
- Repeaters, boosters, DAS
- High power amplifiers
- Pico and macro base stations
- FDD or TDD
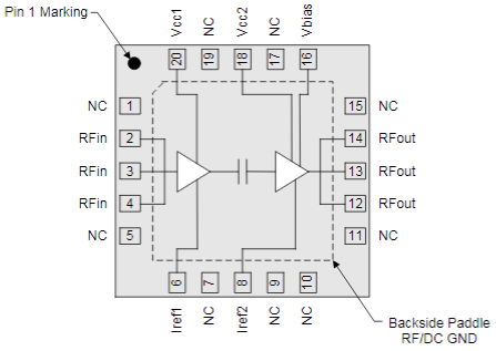
Block Diagram
公開: 2015-12-17
| 更新済み: 2022-03-11
