RECOM Power RPxx-RAW Series DC-DC Converters
RECOM Power RPxx-RAW Series DC-DC Converters offer an ultra-wide 4:1 input range of 36VDC to 160VDC and a 3kVAC/1min reinforced isolation rating. These converters feature remote on/off, input undervoltage lockout and overvoltage, short-circuit, and overload relay protection. RPxx-RAW converters are suitable for 72VDC, 96VDC, and 110VDC railway systems and are also built for non-railway high-voltage battery applications. RECOM Power RPxx-RAW Series DC-DC Converters are available in an industry-standard, compact DIP24 package and operate in a -40°C to +105°C temperature range.Features
- Ultra-wide 4:1 input range
- Input undervoltage lockout
- Overvoltage protection
- Short-circuit protection
- Overload relay protection
- Remote on/off
Applications
- Railway systems
- Battery management systems
- IoT sensors
- Electric forklift trucks
- High-voltage battery applications
ON/OFF CONTROL
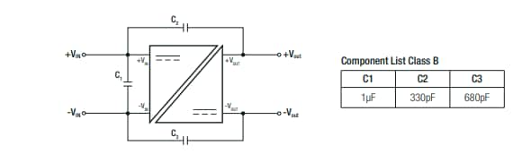
EMC Filtering Suggestions per EN5503/35
Videos
公開: 2022-11-18
| 更新済み: 2024-03-22
