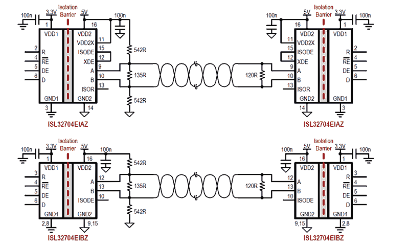
デバイスには、巨大磁気抵抗(GMR)技術が活用されており、電気ノイズの多い工場やビルオートメーション環境で発生するコモンモードノイズから通信バスを解放しながら、ガルバニック絶縁を実現しています。ISL32704Eは、プログラマブル・ロジック・コントローラ(PLC)を計器、ロボット、モータドライブ、データ収集、デジタルI/Oモジュールに接続するIIoTネットワークにおける機器 to バスインターフェイスに適しています。
ISL32704E GMR絶縁の利点は、低放射放射および低EMI感受性です。デバイスのGMR絶縁には、バリア全体でDCおよび低周波数信号を転送するためにRFキャリアまたはパルス幅変調(PWM)を使用している静電容量性およびトランスベースのアイソレータに見られる精巧なエンコーディング方式が不要です。
ISL32704Eには電流消費電力伝送コイルまたはトランスが使用されていないため、電力消費が最小限に抑えられています。ISL32704Eは、その20mA供給電流によって、過ヒート状態にならず最高スピードで小型QSOPパッケージにおいて動作します。非絶縁型の制御側では、ISL32704Eは、3Vマイクロコントローラへの直接接続に対応しています。その一方、絶縁型バス側は、100メートル以上の距離で強力なバス信号を通信するために、さらに高い5V電圧供給に接続します。トランシーバは、EN 50081およびEN 50082-2電磁両立性(EMC)規格ならびに情報技術機器(ITE)EN 61000を対象とした傘線電圧規格に完全に準拠しています。
ISL32704Eには、4Mbpsデータレート対応のハイスピードデータ伝送、UL 1577規格に準じた2.5kVRMS絶縁、VDE 0884規格に準じた600VRMS作動電圧が組み込まれています。デバイスは、3V~5V電源に対応しており、バス上に最大32台のデバイスを配置できる単一ユニット負荷があります。また、50kV/µs(標準)、30kV/µs(最低)コモンモード過渡耐性によって、ノイズの多い環境での信頼性の高いデータ伝送が実現しています。ISL32704Eには、44,000年のバリア寿命、15kV ESDバスピン保護、低EMCフットプリントが備わっています。熱シャットダウン保護によって、バス競合時またはラインが短絡している場合にバス電流の流れが過度になることを防止します。RS-485トランシーバには、-40°C~+85°Cの動作温度があり、ANSI RS-485規格およびVDE V0884-11認証(申請中)に適合、あるいは超過しています。
ISL32704EVAL1Z評価ボードのご用意もあります。
特徴
- 4Mbpsデータレート
- UL 1577に準じた2.5kVRMS絶縁
- VDE 0884に準じた600VRMS作動電圧
- 3V~5V電源
- シングルユニット負荷受信機入力
- 最大150台までのユニット負荷を駆動できるドライバ
- 50kV/μs(標準)、30kV/μs(最低)コモンモード過渡耐性
- 44000年のバリア寿命
- 15kV バス-ピンESD保護
- サーマルシャットダウン保護
- 温度範囲: -40°C~+85°C
- ANSI RS-485に適合またはそれを超過
- 16 Ld QSOPおよび0.3”真の8mm 16 Ld SOICパッケージ
- UL 1577認定済
- VDE V0884-10認証を取得済
概要

