Renesas Electronics ISL9238バックブーストNVDC充電器
Renesas / Intersil ISL9238バックブーストNVDC充電器によって、タブレット、ウルトラブック、ノートブック、パワーバンク、および任意のUSB-Cインターフェイスプラットフォームを対象としたNVDC(ナロー出力電圧DC)充電機能、システムバス安定化と保護機能が実現しています。Intersilの高度なR3™技術を使用して、高い軽負荷効率と高速過渡応答が実現しています。充電モードでは、ISL9238は、広範囲のDC電源から入力電力を取ります。その後、最大4セルのリチウムイオンバッテリを用いて、バッテリパックを安全に充電します。NVDCトポロジ充電器として、システム出力を安定化し、安定したシステムバス電圧を目的にナローDC範囲の安定化を図ります。システム電源は、アダプタ、バッテリ、または両方の組み合わせから給電できます。ISL9238は、バッテリのみ、アダプタのみ、または両方を接続して動作できます。特徴
- Buck-boost NVDC charger for 1, 2, 3, or 4-cell Li-ion batteries
- 3.2V to 23.4V (no dead zone) input voltage range
- 2.4V to 18.304V system output voltage
- Autonomous charging option (automatic end of charging)
- System power monitor PSYS output, IMVP compliant
- Up to 1MHz switching frequency
- Adapter current and battery current monitor (AMON/BMON)
- PROCHOT# open-drain output, IMVP compliant
- Allows trickle charging of depleted battery
- Ideal diode control in Turbo mode
- Reverse buck, boost, and buck-boost operation from battery
- Two-level adapter current limit available
- Battery Ship mode option
- SMBus and auto-increment I2C compatible
- Package 4x4 32 Lead TQFN
アプリケーション
- 1 to 4-cell tablet
- Ultrabook
- Notebook
- Power bank
- Any USB-C interface portable device requiring batteries
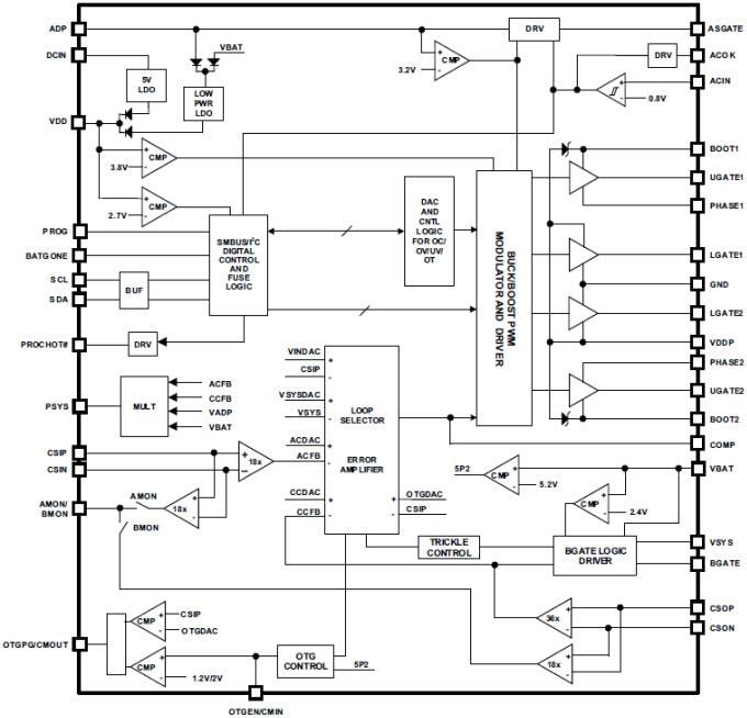
Block Diagram
公開: 2016-12-07
| 更新済み: 2025-05-22
