Renesas Electronics ISL78083車載カメラシステム向けパワーマネジメントIC
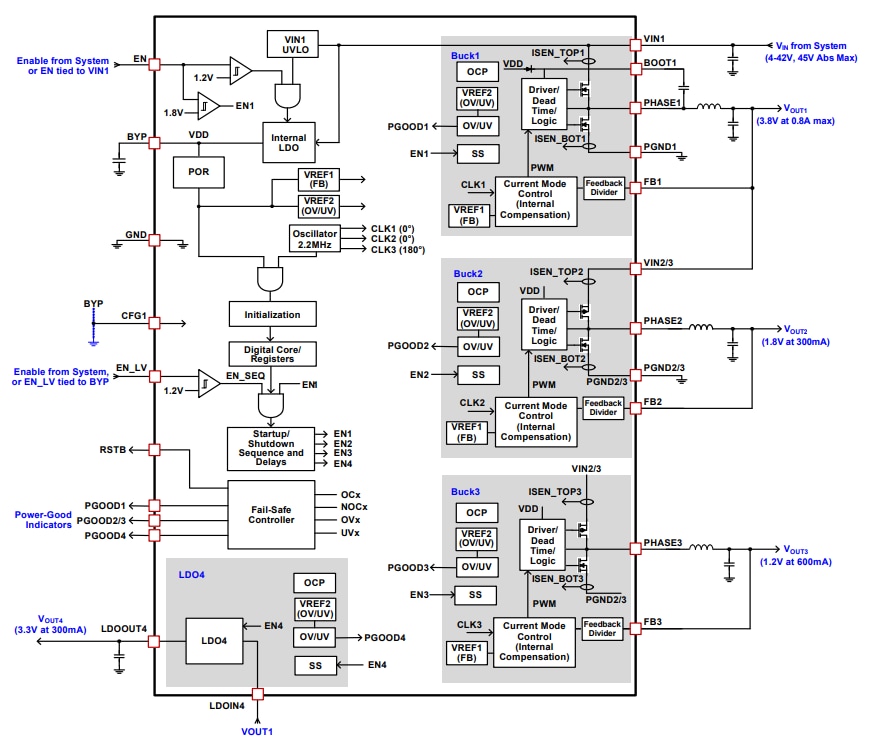
Renesas Electronics ISL78083車載カメラシステム向けパワーマネジメントICは、さまざまな用途に使用可能なマルチレール電源用ICです。 1個のプライマリ高電圧同期降圧レギュレータ、2個のセカンダリ低電圧同期降圧レギュレータ、LDOレギュレータで構成されています。また、4個の過電圧および低電圧検出用モニタ、3個のパワーグッドインジケータ、リセット出力/障害インジケータも備えています。ISL78083は、同じ要因による故障を抑えるために、レギュレータのリファレンスデザインとは独立したOV/UVモニタの第2のリファレンスを内包しています。特徴
- VIN 動作範囲:4.0V~42V、スタートレンジ:4.5V~42V
- 固定スイッチング周波数:2.2MHz、疑似乱数拡散スペクトラム(オプション)
- 内部補償できる3個の同期整流型降圧レギュレータ、1個のLDO
- 降圧レギュレータ1の出力範囲:3.3V~5.05V
- 降圧レギュレータ2の出力範囲:1.0V~3.3V
- 降圧レギュレータ3の出力範囲:1.0V~3.3V
- LDO4出力範囲:2.8V~3.4V
- 出力UV/OVしきい値、OTP:±4%、±6%、±8%、±12%
- OTPパワーアップ/ダウンシーケンスと遅延
- Buck2、Buck3、LDO4でのオプションの出力放電
- シャットダウン下でのVIN 入力の電流:標準値は1µA未満
- 保護機能
- 入力電圧UVLO
- 出力OV/UV
- バックでの正と負の電流制限
- 内部および出力LDOでの過電流保護
- フェイルセーフコントローラ
- OTPレジスタのCRC
- OTPヒカップまたはラッチオフ障害応答
アプリケーション
- リアおよびサラウンドビューHD車載カメラ
- ドライバ監視カメラ
- HDダッシュカム
ブロック図
ISL78083車載向けPMIC
公開: 2020-01-14
| 更新済み: 2024-04-15
