Renesas Electronics ISL81807(80Vデュアル同期・昇圧コントローラ)
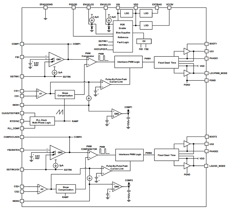
Renesas Electronics 80Vデュアル同期・昇圧コントローラISL81807は、さまざまな産業用および汎用アプリケーションに対して2つの独立した出力、または2つのインターリーブ位相を持つ1つの出力を生成します。広い入力/出力電圧範囲を備えたこのコントローラは、電気通信、データセンター、コンピューティングのアプリケーションに適しています。ISL81807は、5.3Vのゲート・ドライバ電圧を提供します。デッドタイム設定が小さいため、このコントローラは、EモードGaN FETデバイスに最適です。32リード 5mm x 5mm TQFNパッケージのISL81807には、2つの出力に対して位相インターリーブを備えたピーク電流モード制御を使用します。各出力は電流モニタ、電圧レギュレータ、平均電流レギュレータを備えており、独立した平均電圧と電流制御を提供します。内部の位相ロック・ループ(PLL)発振器により、100kHz ~ 2MHzの精度周波数設定が保証されます。発振器は、周波数同期および位相インターリーブ並列アプリケーションのために外部クロック信号に同期できます。このPLL回路は、必要なインターリーブ位相シフトを備えたマルチ位相カスケード同期のため、プログラム可能な位相シフト・クロック信号を出力します。
Renesas ISL81807は、プログラム可能なソフトスタート、精度閾値イネーブル機能、電源レールのシーケンシングを簡素化する電源正常インジケータを備えています。高信頼性を確保するため、このコンポーネントは両方の出力でOVP、UVP、OTP、平均/ピーク電流制限などの完全な保護機能を提供します。
特徴
- 広い入力電圧範囲:4.5V~80V
- 広い出力電圧範囲:5V~80V
- ゲート・ドライブ電圧:5.3V
- 4つの FETドライバ
- 定出力電圧および出力電流帰還ループ制御
- 軽負荷効率性の拡張、低リップル・ダイオード・エミュレーション、バースト・モード動作
- プログラム可能なソフトスタート
- プリバイアスされたレール内への起動をサポート
- プログラム可能な周波数範囲: 100kHz ~ 2MHz
- カスケード位相インターリーブによる電流共有をサポート
- 外部クロック同期
- PLLや周波数デザリングによって制御される精度位相角を備えたクロックを出力
- PGOODインジケータ
- 入力電流モニタ
- PWM/DE/バーストの間で選択可能なモード
- EN/UVLO閾値の精度:±2%
- 5µAの低シャットダウン電流
- OCP (パルス・バイ・パルスおよびオプションのヒカップや定電流モード) 、OVP、OTP、UVP保護
アプリケーション
- 電気通信
- サーバーとデータセンター
- 車載用電子機器
- 産業機器
- 電力システム
代表的なアプリケーション
ブロック図
その他の資料
公開: 2023-12-11
| 更新済み: 2024-01-08
