ISL85033のPWMコントローラは、内部スイッチングNチャンネルパワーMOSFETを駆動します。これには、出力電圧を発生させるための外部ショットキーダイオードが必要です。最適化されたパワースイッチによって、最大3Aまでの出力電流の熱性能が実現しています。Renesas Electronics ISL85033には、ピーク電流モード制御が採用されており、コンポーネント選択の柔軟性を実現してソリューション・サイズを最小限に抑えることができます。保護機能には、過電流、UVLO、熱過負荷保護があります。
ISL85033は、小型4mmx4mm薄型クワッド・フラット無鉛(TQFN)無鉛パッケージで販売されています。
特徴
- ワイド入力電圧範囲4.5V~28V
- 最大3Aまで電流を連続出力できる、調整可能な出力電圧
- 電流モード制御
- 300kHz~2MHzの調節可能なスイッチング周波数
- 独立した電源正常検出
- セレクタブル同相または逆相PWM動作
- 出力間の独立したシーケンシャル、レシオメトリック、または絶対追跡
- 内部2msソフトスタート時間
- 過電流/短絡保護、熱過負荷保護、UVLO
- ブート低電圧検出
- 無鉛(RoHS準拠)
アプリケーション
- 汎用ポイント・オブ・ロードDC/DC電力変換
- セットトップボックス
- FPGA電力とSTB電力
- DVDとHDDドライブ
- LCDパネル、TV電源
- ケーブルモデム
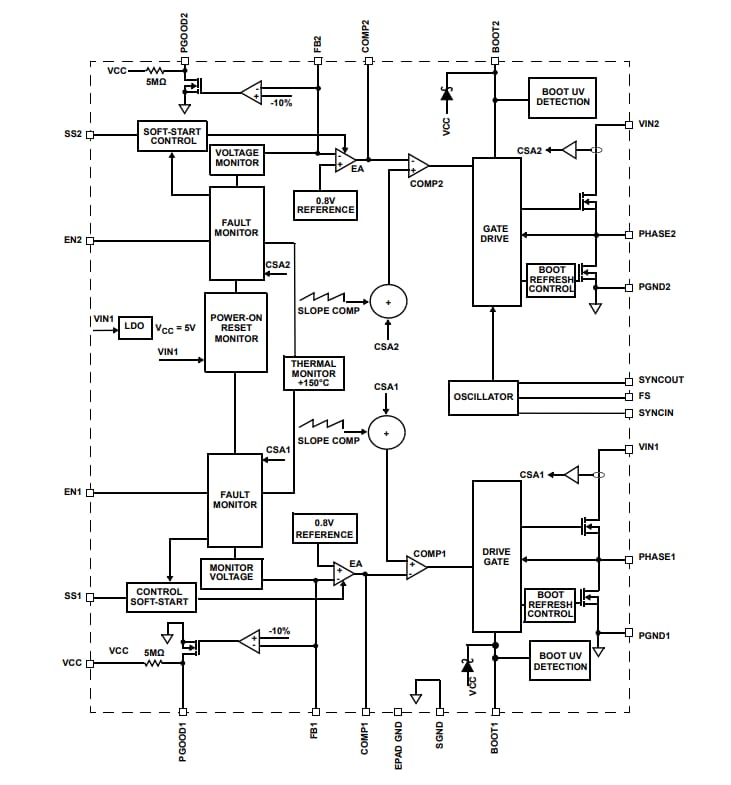
ブロック図
公開: 2020-07-10
| 更新済み: 2022-10-24

