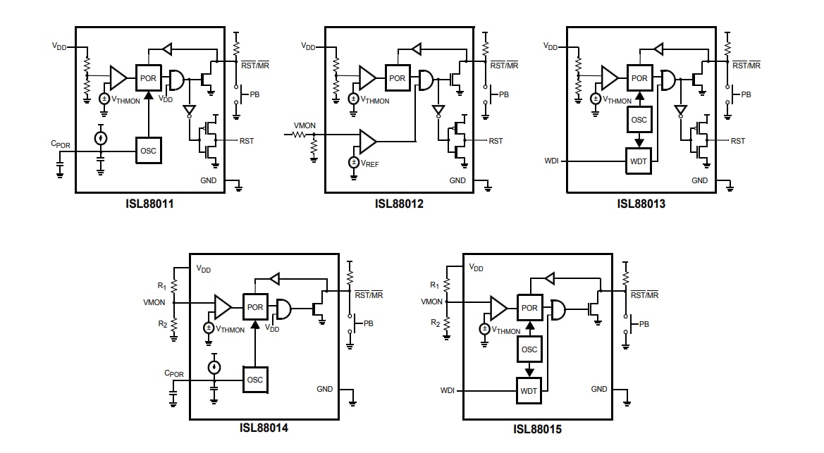
ISL88013の固有機能には、51s起動タイムアウトおよび1.6s通常タイムアウト時間が備わっているウォッチドッグタイマがあります。ISL88011およびISL88014は、CPORピンに外付けコンデンサを追加することによって、公称200msパワーONリセットタイムアウト遅延を増大させるオプションを実現しています。相補的なアクティブ低およびアクティブ高リセット出力は、ISL88011およびISL88013で利用可能です。すべてのISL8801x 5 Ld電圧監視装置には、手動リセット機能があります。ISL88014には、ユーザーが調整できる電圧入力があり、最低0.6Vまでの任意の電圧のカスタム監視に使用できます。
ISL8801x 5 Ld電圧監視装置は、低電力消費と高閾値精度を目的に特別に設計されています。
特徴
- シングル/デュアル電圧監視装置
- +2.5V、+3.0V、+3.3V、+5.0V電源の正確な監視が実現する固定電圧オプション
- デュアル監視装置には固定電圧入力が1つあり、最低0.6Vまでユーザーによる調整が可能です。
- RSTとRST出力の両方を利用可
- PORタイムアウト遅延オプションを調整可
- 通常1.6sと51sの起動タイムアウト期間をともなうウォッチドッグタイマ
- すべてのデバイスでの手動リセット入力
- 下限VDD = 1Vまで有効なリセット信号
- 正確な±1.5%電圧閾値
- 電源過渡に対する耐性
- 超低5.5µA供給電流
- 小型5 Ld SOT-23無鉛パッケージ
- 無鉛(RoHS準拠)
アプリケーション
- プロセス制御システム
- インテリジェント機器
- 組み込み制御システム
- コンピュータシステム
- 重要なµPおよびµC電力監視
- ポータブル/バッテリ駆動機器
- PDAおよびハンドヘルドPCデバイス
機能ブロック図
公開: 2019-11-21
| 更新済み: 2023-09-26

