複数の異なる固定電圧出力がスタンダードになっており、各LDO範囲の出力電圧オプションは1.5V~3.3Vです。
特徴
- 300mA高性能LDO
- 大電流ステップに対する優れた過渡応答
- 優れた負荷安定化が備わったフル負荷電流範囲にわたって<0.1%という電圧変化
- 75dB @ 1kHz高PSRR
- 2.3V~6.5Vワイド入力電圧能力
- 50µA超低自己消費電流
- 標準200mV @ 300mA低ドロップアウト電圧
- 標準45µVRMS @ 100µA(1.5V)低出力ノイズ:
- 1µF~10µFセラミックコンデンサで安定
- イネーブル時の入力電流サージを制限するソフトスタート
- 電流制限と過熱保護
- 動作条件全体で±1.8%精度
- 小型2mm x 3mm 8 Ld DFNパッケージ
- 動作温度範囲: -40°C~+85°C
- 無鉛(RoHS準拠)
アプリケーション
- PDA、携帯電話、スマートフォン
- ポータブル計器、MP3プレーヤー
- 医療用ハンドヘルドをはじめとするハンドヘルドデバイス
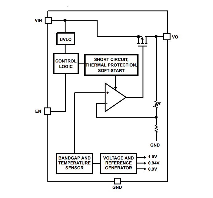
ブロック図
公開: 2019-12-03
| 更新済み: 2023-10-02

