Renesas Electronics ISL9241バックブースト構成可能バッテリ充電器
Renesas Electronics ISL9241バックブースト構成可能バッテリ充電器は、狭電圧ダイレクト充電(NVDC)とハイブリッド・パワー・バックブースト(HPBB/バイパス)充電の両方をサポートしています。これらのバッテリ充電器は、ファームウェア制御を介したモード切替が可能です。また、ISL9241バッテリ充電器は、コントローラのファームウェアを使用するバイパスモードにも対応しており、アダプタからシステムに直接給電できます。これらの充電器は、タブレット、ウルトラブック、ノートブック・プラットフォームでNFETのみを使用し、充電機能、システムバス制御機能、保護機能を実現しています。ISL9241充電器は、従来のAC/DC充電器アダプタ、USB Type-Cパワー・ポート、トラベル・アダプタなど、広範なDC電源から入力電力を取り込みます。これらのデバイスは、最大4シリーズ・セル用のリチウムイオンバッテリを用いて、バッテリパックを安全に充電します。特徴
- すべてのNFETトランジスタを使用した1、2、3、または4セルリチウムイオンバッテリ用のバックブーストNVDCまたはハイブリット・パワー(ターボ・ブースト)充電器
- アダプタにシステムを接続するバイパスモードに対応
- 自律充電オプション(自動充電終了)
- アダプタ電流とバッテリ電流モニタ(AMON/BMON)
- PROCHOT#オープンドレイン出力、IMVP準拠
- システム電源モニタPSYS出力、IMVP8/9準拠
- 重要なパラメータの監視を目的とした内部8ビットADC
- USB-C PD高速ロール・スワップ・サポートとPPSサポート
- 順方向と逆動作(OTG)モード用の独立した補償ピン
- 補助電源(Intel VMINアクティブ保護)に対応
- IC超低消費電力状態のバッテリ出荷モード
- NTCを使用してJEITA準拠をサポート
- 4x4 32 Ld TQFNパッケージ
仕様
- 入力電圧範囲: 3.9V~23.4V(デッド・ゾーンなし)
- システム/バッテリ入力電圧: 3.9V~18.304V
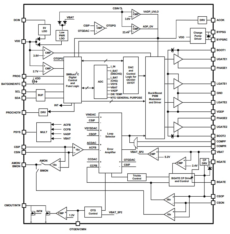
ISL9241のブロック図
ISL9241のアプリケーション回路図
公開: 2018-12-18
| 更新済み: 2023-02-15
