Renesas Electronics ISLACDC750WEVKIT1Z評価キット
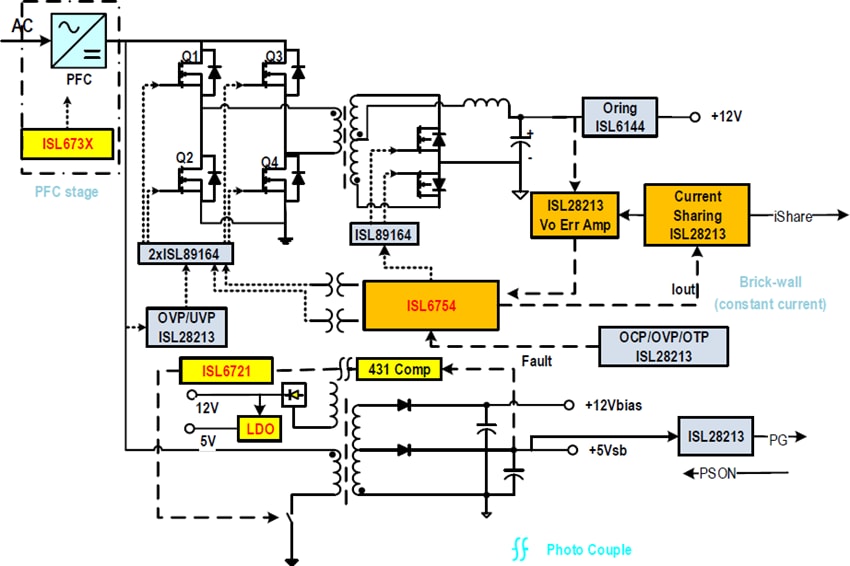
Renesas Electronics ISLACDC750WEVKIT1Z評価キットは、ISL6754 ZVSフルブリッジPWMコントローラ、ISL6731A/ISL6731B力率補正コントローラ、ISL6721シングルエンド電流モードPWMコントローラに基づいたATX PC電源アプリケーションを実証するように設計されています。400V DCバスが備わっているこのコンバータは、62.5A.で12Vを出力できます。効率性能は、80%以上に到達できます。入力過電圧および低電圧保護、出力過電圧、過電流、過温度、短回路保護といった全体的な保護機能によって、信頼性の高い回路となっています。PSONピンによって、ボードをリモート制御するインターフェイスが実現しており、Power-Good(PG)ピンは回路の動作状態を示します。また、この回路は、バッテリ充電器に適用することもできます。特徴
- ISL6754 ZVSフルブリッジPWMコントローラ
- ISL6731AまたはISL6731B力率補正コントローラ
- ISL6721シングルエンド電流モードPWMコントローラ
- ISL28213マイクロパワー・オペレーショナルアンプ
- 電流共有
- ORing: ホットスワップ
- 過電圧保護(OVP)
- 過熱保護(OTP)
- 低電圧保護(UVP)
- 過電流保護(OCP)
- 短絡保護機能
- スタンバイモードによって、力率補正(PFC)およびDC-DCがオフになります。
キット内容
- ISLACDC750W-MBEV1Zメインボード(MB)
- ISL6731x-DB-1Zドータボード(PFDB)
- ISL6721-DB-1Zドータボード(BiasDB)
- ISL6754DBEVAL2Zドータボード(ZVSDB)
セットアップ
システムブロック図
PFC段のブロック図
公開: 2018-07-05
| 更新済み: 2023-02-09
