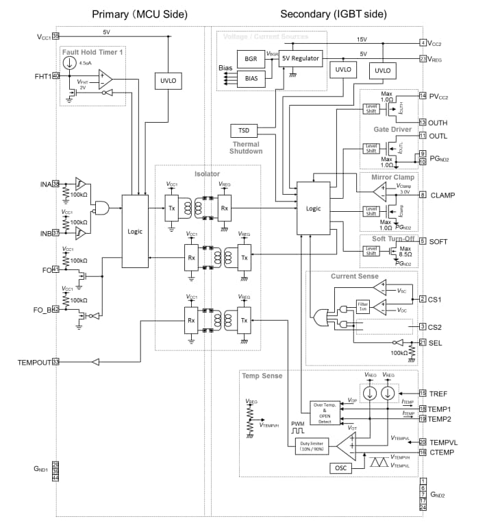
Renesas R2A25110KSPインテリジェントパワーデバイスは、IGBTゲートドライブ回路、ミラークランプ回路、ソフトターンオフ回路、およびIGBT温度検出などの複数の種類の保護回路を組み込んでいます。さらに、R2A25110KSPは、IGBTの並列駆動にも対応しています。
特徴
- オンチップマイクロアイソレータ搭載(絶縁回路)
- 高電圧絶縁:2500VRMS
- 高同相信号除去(CMR):35kV/us以上
- 高電圧絶縁:2500VRMS
- 高出力ゲートドライブ回路
- ゲートドライブ出力抵抗:最大1.0Ω(IGBT並列接続に対応)
- オンチップアクティブミラークランプ機能
- オンチップソフトターンOFF機能
- 動作温度範囲:-40°C~+125°C(ジャンクション温度:最高150°C)
- オンチップ5Vレギュレータ
- 各種オンチップ保護回路
- IGBTエミッタ電流検出回路:2x チャンネル
- 過電流検出(閾値電圧:0.25V、標準値)、短絡検出(閾値電圧:0.5V、標準値)
- 過電流検出機能の有効化/無効化(SELピン)
- IGBT温度検出回路:2チャンネル
- オンチップ不足電圧阻止回路
- VCC1(5Vシステム)標準4.1V
- VCC2(15Vシステム)標準10V
- オンチップ温度過昇保護回路(+200°C)
- 障害フィードバック(外部コンデンサにより障害ホールド時間を調節可能)
アプリケーション
- 自動車アプリケーションのEV/HEV用メインインバータ
- 自動車アプリケーションのEV/HEV用コンバータ
- 産業機器用インバータとコンバータ
ブロック図
公開: 2023-05-05
| 更新済み: 2023-06-20

