Renesas Electronics RAA271082パワーマネジメントIC (PMIC)
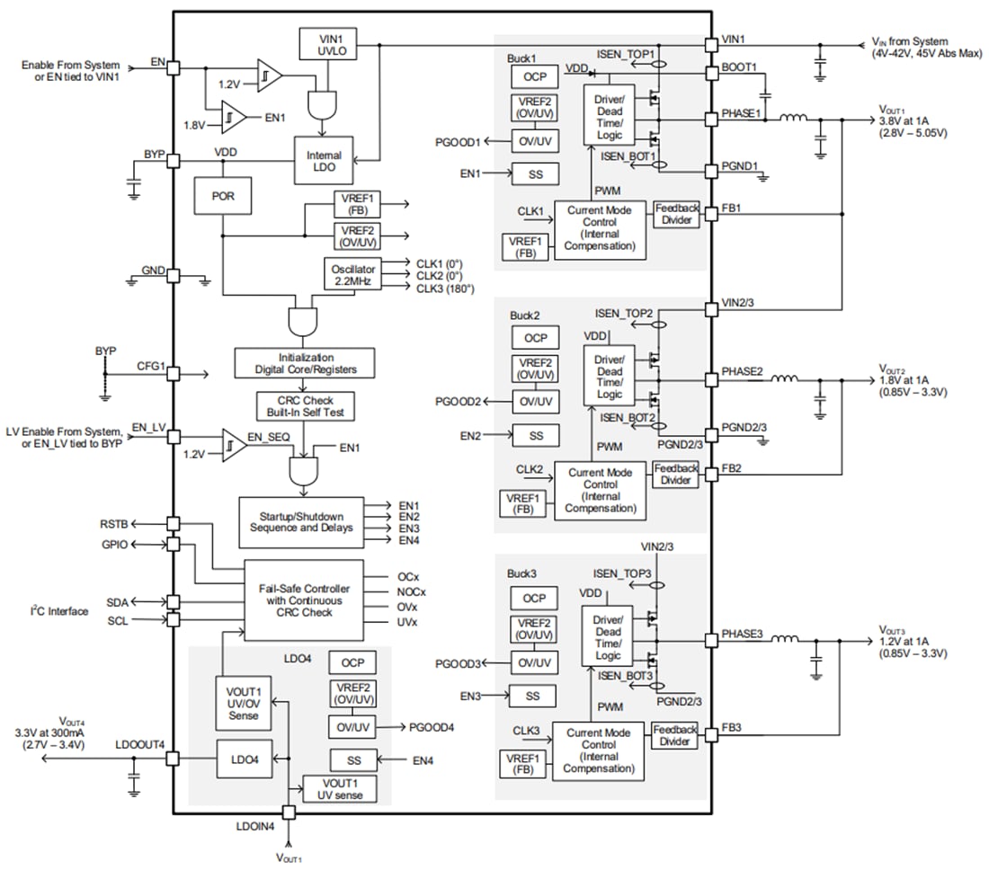
Renesas Electronics RAA271082電源管理IC(PMIC)は、プライマリ高電圧同期降圧レギュレータ、LDOレギュレータ、2つのセカンダリ低電圧同期降圧レギュレータから構成される汎用性の高いマルチレール・パワーICです。Renesas PMICは、4つの低電圧モニタと過電圧モニタ、汎用I/Oピン、I2C通信、専用リセット出力/障害インジケータを提供します。RAA271082は、ASIL-Bデバイスメトリクスを満たしており、ASIL-D ISO 26262開発プロセスを使用して設計されています。RAA271082には起動時の内蔵セルフテスト、独立したOV/UVモニタリング、OV/UVモニタ用のセカンドバンドギャップリファレンス、I2C通信および内部レジスタの連続CRCエラーチェックが含まれています。RAA271082は、最小限のボードスペースと少数の外付け部品のみを必要とする高密度パワーソリューションを実現しています。内部ワンタイムプログラマブル(OTP)メモリを使用して構成された豊富な機能セットが備わっています。各出力電圧選択およびOV/UV閾値の電源シーケンシングといったほぼすべてのデバイスオプションは、選択に外付け部品を必要とせず、内部で構成されています。このレギュレータには、内部補償が備わっています。このバックは、高周囲温度を必要とする過酷な環境での動作が可能で、高効率を達成するために同期されています。
ルネサス エレクトロニクス (Renesas Electronics) RAA271082には、熱性能の向上を目的とした露出パッドがあり、4mm x 4mm 24リードステップカットQFN (SCQFN)パッケージでご用意があります。このPMICは、-40°C~+125°Cの周囲温度範囲全体で動作し、AEC-Q100 Grade 1の認定を受けています。このデバイスは、-40°C~+150°Cの接合部温度範囲全体で電気的に指定されています。
特徴
- ASIL-D ISO 26262開発プロセス
- VIN動作範囲は4.0V~42Vで、開始範囲は4.5V~42Vです。
- オプションの擬似ランダムスペクトラム拡散が備わっている2.2MHz固定スイッチング周波数
- 内部補償とLDO 1台が備わった3台の同期バック
- 2.8V~5.05Vのバック1出力範囲、最大1A
- 0.85V~3.3Vのバック2/3出力範囲、最大1A
- 2.7V~3.4VのLDO 4出力範囲、最大300mA
- ±4%、±6%、±8%、および±12%の OTP UV/OV しきい値
- OTPパワーアップ/ダウンシーケンスと遅延
- バック2、バック3、LDO 4でのオプションの出力放電
- 構成可能な GPIO ピン
- デュアルENピン
- 保護機能
- 入力電圧UVLO
- 出力OV/UV
- 内部および出力LDOでの過電流保護
- 温度過昇シャットダウン
- 機能安全性の特徴
- パワーアップ時の内蔵自己テスト(BIST)
- デュアル バンドギャップ/リファレンス チェーン
- バック1出力のための独立したUV/OVセンスパス
- 構成可能なウィンドウウォッチドッグタイマ(WWDT)
- OTPシャドウレジスタの連続CRCチェック
- CRC保護されたI2C通信
- 構成可能な障害マネージャ
- AEC-Q100適合、グレード1[-40°C~+125°C(TJ =150°C)]
アプリケーション
- ドライバ監視カメラ
- リアおよびサラウンドビューHD車載カメラ
- マイクロコントローラPMIC (バッテリマネジメントシステム用)
- マイクロコントローラPMIC(ゾーンおよびドメインコントローラ用)
- マイクロコントローラPMIC(ゲートウェイ装置用)
ブロック図
公開: 2025-06-20
| 更新済み: 2025-06-23
