Renesas Electronics RAA306012 3相スマートゲートドライバ
Renesas Electronics RAA3060123相スマートゲートドライバは、3相ブラシレスDCモータ用に設計されています。Renesas Electronics RAA306012には 3 つのハーフブリッジ ゲート ドライバが組み込まれており、6V~65Vの電圧範囲で最大 3 つの N チャネル MOSFET ブリッジを駆動できます。各ドライバは、0.64Aソースおよび1.28Aシンクピーク駆動電流をサポートしており、ドライブ強度制御によって調整できます。適応型デッドタイムによって堅牢性が強化され、ミラー効果によるクロス導通を防止します。デバイスには、内部回路用の電源、ゲートドライバ、外部マイクロコントローラ用の専用電源が統合されています。さらに、低消費電力スリープモードが特徴で、ポータブルアプリケーションでのバッテリ寿命の延長を目的として、わずか28μAしか消費しません。特徴
- 動作電源電圧
- VBRIDGE: 6V ~ 65V (78V abs最大)
- VM: 6V ~ 60V (65V abs最大)
- 動作周囲温度: -40°C~125°C
- 3相ゲートドライバ (BLDCアプリケーション用)
- 最大200kHzのスイッチング周波数範囲
- SPIインターフェイスを介して16調整可能なドライブ強度が備わったピーク0.64A/1.28Aソース/シンク電流
- 調節可能なデッドタイム
- ゲートドライバ用の柔軟性に富んだ構成
- 3-phase HI/LIモードと3相 PWMモード
- 入力制御信号構成
- ハーフブリッジ, フルブリッジ構成をサポート
- 完全に統合された電源アーキテクチャ
- 2つのVCC LDOによって、低IQ でのスリープモードが実現
- 500mAバックスイッチングレギュレータが駆動電圧を生成(5V ~ 15V調整可能)
- 100mA調整可能出力LDO (MCU供給用)
- 3つの精密差動アンプ
- 4レベルのセンスゲイン設定
- パワーアップ時およびオンザフライ時のDCオフセット較正をサポート
- BEMFセンスアンプ(センサレスモータ駆動用)
- ホールセンサモータ駆動用のコンパレータ3台
- 集積保護機能
- VM過電圧/低電圧ロックアウト (VM _ OV/UVLO)
- 充電ポンプ低電圧(VCP _ UV)
- バックレギュレータ障害 (VDRV _ OV/UV、SR _ OCP)
- MOSFET VDS OCP (VDS _ OCP)
- 電流センスOCP (CS _ OCP)
- MOSFET VGS障害(VGS _ fault)
- 温度警告/シャットダウン (TWARN/OTSD)
- 障害インジケータ(nFAULTピン)
- 7mm × 7mm 48 Ld QFNパッケージ(0.5mmピッチ)
アプリケーション
- 電動工具と園芸用具
- プリンタ
- 電気掃除機
- ファン
- ポンプ
- ロボティクス
ビデオ
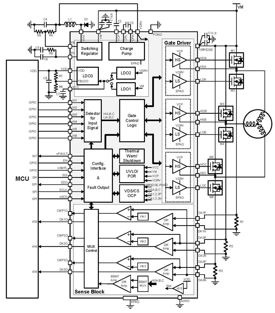
標準アプリケーション回路
公開: 2023-12-05
| 更新済み: 2024-02-07
