Renesas Electronics RAA48930x 3レベル同期整流降圧コントローラ

Renesas Electronics RAA48930x 3レベル同期整流降圧コントローラは、3レベル降圧トポロジ用に開発されており、優れた効率と安定化出力電圧を提供し、インダクタのサイズも大幅に縮小します。革新的な設計によって、電力損失の低減やシステムの小型化を図り、コンパクトで高性能なアプリケーションに最適です。

Renesas RAA48930xは、熱の発生を低く抑えてスイッチング中の電力損失を最小化することで優れた熱性能を実現します。デバイスは、熱応力を低減し、システムの信頼性を向上させ、製品寿命の延長に貢献します。さらに、RAA48930xは熱放散が少ないため冷却の必要性が低く、その結果的に冷却ソリューションが小型化され、スペースとコストの節約につながります。

RAA48930xコントローラは、コンパクト設計の省スペースアーキテクチャを実装しており、PCBのフットプリントを削減します。柔軟な拡張性を有し、さまざまな電力レベルやアプリケーション要件に容易に適応できます。強化されたRenesas 3R™技術には、フライングコンデンサ電圧バランス機能が備わっており、効率性の高い電力供給と高速過渡応答を実現します。

特徴

  • シングルインダクタ3レベル降圧構成
  • EXT5Vピンは、内部チャージポンプを介して5Vまたは10Vのゲート駆動電圧を生成
  • 順方向または逆方向のパススルーモード (PTM)
  • CV、CC、CL、CV間でループになったスムーズなモード遷移
  • デジタル測定(テレメトリ)用8ビットA/Dコンバータを内蔵
  • ハードウェアベースの入力および出力電流モニタ
  • 4 x 4 32ピンTQFNパッケージ

アプリケーション

  • 動力工具
  • 持ち運び可能な掃除機
  • 芝刈り機
  • ドッキングステーション
  • 産業用
  • 民生機器
  • マルチポートのUSB-PD充電器
  • ポータブル電源ソリューション
  • PCドッキングステーション
  • ロボットやドローン

効率曲線

パフォーマンスグラフ - Renesas Electronics RAA48930x 3レベル同期整流降圧コントローラ

ブロック図

ブロック図 - Renesas Electronics RAA48930x 3レベル同期整流降圧コントローラ

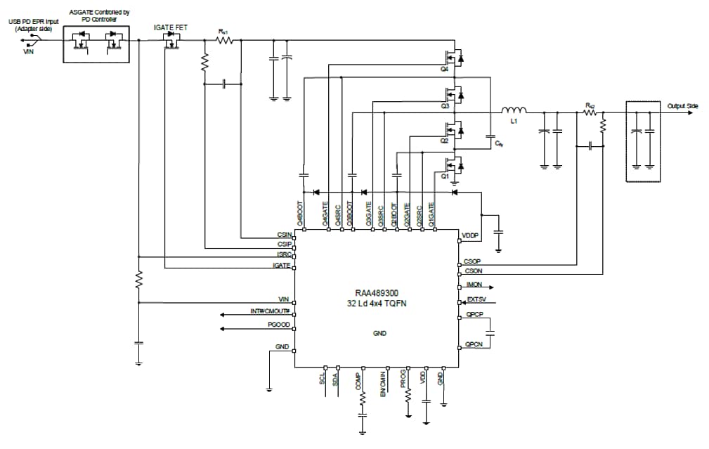
RAA489300の主なアプリケーション

アプリケーション回路図 - Renesas Electronics RAA48930x 3レベル同期整流降圧コントローラ

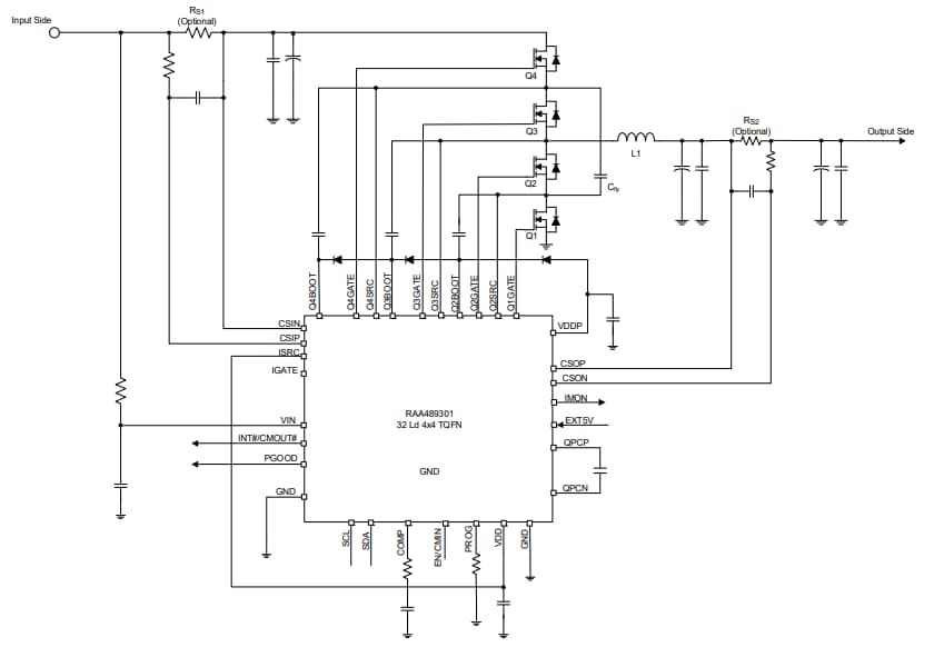
RAA489301の主なアプリケーション

アプリケーション回路図 - Renesas Electronics RAA48930x 3レベル同期整流降圧コントローラ
公開: 2025-07-08 | 更新済み: 2026-01-07