Renesas Electronics RAJ30610xモータ制御IC
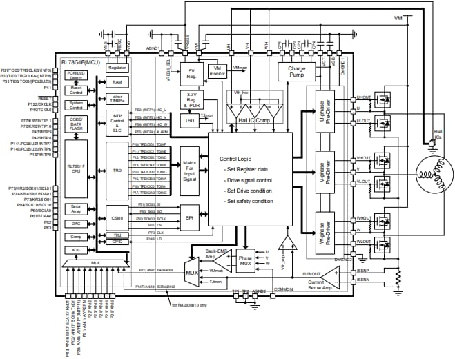
ルネサス エレクトロニクス (Renesas Electronics) RAJ30610xモーター制御ICは 三相ブラシレスDCモーター用に設計されています。ルネサス エレクトロニクス (Renesas Electronics)RAJ30610xは、MCU(RL78/G1F)を内蔵し、プリドライバを統合しています。これには、3系統のハーフブリッジゲートドライバ、5Vレギュレータ、電流検出アンプといった機能が含まれています。RAJ306102は、スマートゲートドライバ (RAA306012) とMCU (RL78/G1F) を1パッケージに内蔵しています。スマートゲートドライバには、ハーフブリッジ・ゲートドライバ3個、降圧スイッチング・レギュレータ1個、ゲートドライバ電圧用チャージポンプ1個、内部回路用LDO 2個を搭載しています。特徴
- RAJ306001
- 動作電源電圧 6V~30V
- RAJ306001 TA = -40°C ~ +85°C動作温度
- RAJ306010Z TA = -40°C~+105°C
- 低電力消費 VM 電流 (5V/7Vレギュレータおよびチャージポンプを除く): [MCUブロック]:+5.2mA(HSモード fIH =32MHz VDD =5V) [プリドライバブロック]: +13.5mA[VM = 22.5V] VMスタンバイ電流:64µA(代表値)
- CPU 16ビットCISC CPU(RL78/G1F)
- フラッシュROM 64KB、データフラッシュ4KB、RAM 5.52KB
- 2ch、SPI、2ch、IIc、2ch、UART: 1ch GSI
- タイマ タイマアレイユニット:1ユニット – 16ビット、4ch
- モーター制御のタイマーRD – 16ビット、2ch
- エンコーディング機能付きタイマーRG – 16ビット、1ch
- 64MHzモーター制御入力キャプチャタイマー(タイマーRX)
- 10ビット分解能A/DCコンバータ:9ch
- GPIO:28ch、入力用ポート:2ch
- 内蔵5Vレギュレータ
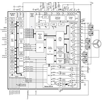
- RAJ306102
- 動作電源電圧
- VBRIDGE: 6V~65V (78V abs max)
- 電圧 max (VM): 6V~60V (65V abs max)
- 動作周囲温度: -40°C~105°C
- 供給電流
- MCU、VDD 電流
- HSモード、fIH = 32MHz: 5.2mA
- スマートゲートドライバ
- 動作モード: 2mA、スリープモード: 28μA
- MCU、VDD 電流
- 豊富な保護機能
- CPU 16ビットCISC CPU
- 64KB、データフラッシュ:4KB、RAM:5.5KB
- シリアルアレイユニット: 2ユニット(CSI: 2ch、UART: 1ch、I2C : 2ch)
- GPIO: 29チャネル - I/O: 27ch、入力: 2ch
- タイマアレイユニット: 1ユニット-16ビット、4ch
- 10ビット分解能A/Dコンバータ入力:11ch
- 外部割り込み入力:10ch
- 動作電源電圧
アプリケーション
- コードレス電力ツール
- 屋外電源装置
- 掃除機
- ファン
- ポンプ
- ロボット工学
- 医療機器
公開: 2023-12-05
| 更新済み: 2024-01-25
