Renesas Electronics RC192xxA PCIe Gen5/6クロックバッファとマルチプレクサ
Renesas Electronics RC192xxA PCIe Gen5/6クロックバッファとマルチプレクサは、超低付加ジッタおよび設計に柔軟性をもたらす3通りの信号経路の選択肢があることが特徴です。集積ソース終端85Ωまたは100Ωによって、16ch MUXの型式を対象に最大64個の外付け(抵抗器)を節約できます。高速シリアルインターフェイス(SBI)は、出力イネーブルおよび機器のデイジーチェーン接続をサポートしています。RC192xxAのシステムのセキュリティは、SMBus書き込み保護によって確保されています。Renesas RC192xxA PCIe Gen5/6クロックバッファとマルチプレクサは、拡張動作温度に対応しており小型パッケージに収められています。
特徴
- 低付加位相ジッタ
- 7fs RMS PCIe Gen5付加位相ジッタ
- 4fs RMS PCIe Gen6付加位相ジッタ
- <1.7ns(最大)入出力伝搬遅延
- パワーダウン許容(PDT)入力、柔軟性に富んだ電源シーケンシング(FPS)
- 自動クロックパーキング(ACP)
- 2:Nまたは(1:N/2)x2 多重化オプション
- 4線式サイドバンド・インターフェイス
- 9通りの選択可能なSMBusアドレス
- SMBus書き込み保護お
- ピンストラップ設定による85Ωまたは100Ω出力インピーダンス
- -40°C~+105°C、3.3V±10%(動作)
アプリケーション
- クラウド/高性能コンピューティング
- nVMEストレージ
- ネットワーク
- アクセラレータ
- コンピューティング
- Industrial7
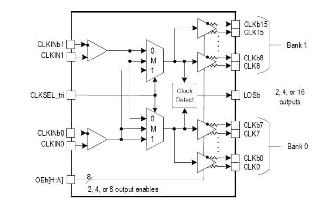
ブロック図
公開: 2022-01-24
| 更新済み: 2022-03-11
