Renesas Electronics RC22504A & RC32504A FemtoClock® 2 シンセサイザ
Renesas Electronics RC22504AおよびRC32054A FemtoClock® 2シンセサイザは、ジッター性能100fs(最大)未満のリファレンスクロックが複数必要になるPHY、スイッチ、ASIC、あるいはFPGAに隣接して配置するように設計されています。RC22504Aは、リファレンスクロックを局部発生させるシンセサイザ、あるいは周波数管理のためのDCOまたはOTNクロックアプリケーションのDCOとして機能します。RC32504Aは、リファレンスクロックを局部的に生成する周波数シンセサイザとしての動作、中央供給されたリファレンスのローカルクリーンアップおよび/または周波数変換を実行するジッタアッテネータとしての動作、通過帯域フィルタリングとネットワーク供給リファレンスのクリーンアップを実行する同期イーサネット機器クロックとしての動作、あるいは周波数マージニングまたはOTNクロックアプリケーションのためのDCOとしての動作が可能です。こらは、Renesasの高性能FemtoClock2ファミリの製品です。Renesas Electronics RC22504AおよびRC32504A FemtoClock 2シンセサイザは、クワッド・フラット・ノーリード(QFN)パッケージで販売されており、熱性能の向上を目的とした露出パッドを備えています。
特徴
- RC32504A
- 100fs以下のRMSジッタ (10kHz~20MHz)
- 同期イーサネット/OTN(EEC/OEC)のITU-TG.8262、および拡張同期イーサネット/OTN
(eEEC / eOEC)のITU-TG.8262.1に準拠 - PLLコアは、オプションでデジタルPLL(DPLL)による動作が可能な分数帰還アナログPLL(APLL)で構成
- 25MHz~80MHz水晶またはXOでの動作
- 入力/水晶周波数に依存しないAPLL周波数
- 周波数シンセサイザ、ジッタアッテネータ、同期機器のスレーブクロック、あるいはデジタル制御発振器(DCO)として動作
- 0.1Hz~12kHzの間でプログラミングできるDPLLループフィルタ
- DCOには、1ppt未満の調整粒度あり
- HCSL、LVDS、あるいは2つのLVCMOSをサポートするプログラマブル入力バッファ(外付け端子不要)
- 入力周波数:1MHz~800MHz(LVCMOSで250MHz)
- リファレンス・モニター認定/不認定入力クロック
- プログラマブル状態出力
- 4つの差動/8つのLVCMOS出力
- 10MHz~1GHzの任意の周波数(LVCMOSの場合は180MHz)
- HCSL(DC結合)、LVDS/LVPECL/CML(AC結合)、または2つのLVCMOSをサポートするプログラマブル出力バッファ
- 差動出力スイングを選択可能:400mV~800mV
- プログラマブルエフェクトを活用した出力イネーブル入力
- 最高1MHz I2Cまたは最高20MHz SPIシリアルプロセッサポートをサポート
- 最大4種類の構成で顧客が定義できる内部ワンタイム・プログラマブル(OTP)メモリ経由でリセット後にそれ自体を自動的に構成可能
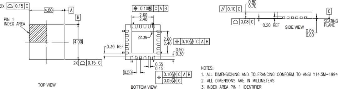
- 4mm x 4mm QFN-24パッケージ
- RC22504A
- 最低64fs RMS(最大)までのジッター(10Hz~20MHz)
- フラクショナル帰還アナログPLL(APLL)で構成されているPLLコア
- 25MHz~80MHz水晶またはXOでの動作
- 入力/水晶周波数に依存しないAPLL周波数
- Operates as 周波数シンセサイザまたはデジアル制御式発振器(DCO)として動作
- DCOの調整粒度は1ppb未満
- プログラマブル状態出力
- 4つの差動 / 8つのLVCMOS出力
- 10MHz~1GHzの任意の周波数(LVCMOSの場合は180MHz)
- HCSL(DC結合)、LVDS/LVPECL/CML(AC結合)、または2つのLVCMOSをサポートするプログラマブル出力バッファ
- 400mV~800mVの間で差動出力スイングを選択可能
- プログラマブルエフェクトを活用した出力イネーブル入力
- 最高1MHz I2Cまたは最高20MHz SPIシリアルプロセッサポートをサポート
- 最大4種類の構成で
顧客が定義できる内部ワンタイム・プログラマブル(OTP)メモリ経由でリセット後にそれ自体を自動的に構成可能 - 4mm x 4mm QFN-24パッケージ
アプリケーション
- RC32504A
- 同期イーサネット/OTN機器
- リファレンスクロック発生器(100Gbps/400Gbps PHYまたはスイッチ向け)
- 調整式OTNクロックリファレンス(OTU3/OTU4マッピング機能向け)
- リファレンスクロック(プログラマブル光ファイバモジュール向け)
- RC22504A
- リファレンスクロック発生器(100Gbps/400Gbps PHYまたはスイッチ向け)
- 調整式OTNクロックリファレンス(OTU3 / OTU4マッピング機能向け)
- リファレンスクロック(プログラマブル光ファイバモジュール向け)
ブロック図
パッケージの外形
公開: 2021-04-26
| 更新済み: 2022-03-11
