Renesas Electronics READ2302Gデュアルオペレーショナルアンプ

Renesas Electronics READ2302Gデュアルオペレーショナルアンプは、高駆動性と高スルーレートを発揮します。READ2302Gは、2.5V~の最低動作供給電圧、-40°C~+105°Cの広い周囲温度範囲が特徴です。Renesas Electronics READ2302Gデュアルオペレーショナルアンプは、超小型8ピンTSSOPパッケージでご用意があります。

仕様

  • 低電圧・単電源動作VDD = 2.5V~5.5V
  • 低入力オフセット電圧VIO ≤ ±6.0mV
  • 低入力バイアス電流IB≤ (1pA)
  • 広い出力電圧範囲VOUT : VSS+0.1V~VDD-0.1V(@Io=5mA)
  • 供給電流(1チャンネルあたり)IDD = 標準0.75mA
  • 高スルー・レート

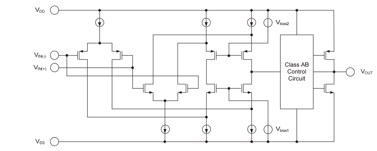
相当回路

ブロック図 - Renesas Electronics READ2302Gデュアルオペレーショナルアンプ

ピン配列

機械図面 - Renesas Electronics READ2302Gデュアルオペレーショナルアンプ
公開: 2020-09-18 | 更新済み: 2022-03-11