ROHM Semiconductor BD1693xハーフブリッジドライバ
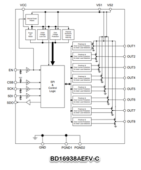
ROHM Semiconductor BD1693xハーフブリッジドライバは、SPI制御、3モード出力制御、小待機電流が特徴で、車載アプリケーションを対象としています。これらのドライバには、出力逆方向電圧に対する内蔵保護ダイオード、過電圧保護(OVP)、過電流保護(OCP)、低負荷検出が搭載されています。BD1693xドライバは、低電圧ロックアウト(UVLO)、熱シャットダウン(TSD)、熱警告(TW)を実現しています。これらのハーフブリッジドライバは、6.3V~32V電源電圧範囲および-40°C~125°C温度範囲で動作します。BD1693xドライバは、1A最大出力電流、5mA SDO出力電流、150°C最高接合部温度に対応します。これらのドライバには8チャンネルおよび6チャンネルがあり、車載アプリケーションを対象としています。特徴
- 3モード出力制御:
- 高、低、高インピーダンス
- 小スタンバイ電流
- 出力逆方向電圧に対する内蔵保護ダイオード
- VS供給段での過電流保護(OCP)
- VS供給段での低負荷検出(ULD)
- VS供給段でのOVDSELモードによる過電圧保護(OVP)
- VS供給段での低電圧ロックアウト(UVLO)
- サーマルシャットダウン機能(TSD)
- 熱警告(TW)
- BD16938AEFV-C:
- ハーフブリッジ8回路
- BD16939AEFV-C:
- ハーフブリッジ6回路
仕様
- 6.3V~32V供給電圧範囲
- 動作温度範囲: -40°C~125°C
- 出力電流: 1A(最大)
- -0.3V~40V電源電圧範囲
- 最大接合部温度: 150°C
アプリケーション
- 車体エレクトロニクス
- HVAC(暖房、換気、空調)
- ドアミラー
公開: 2021-02-16
| 更新済み: 2022-03-11
