ROHM Semiconductor BD18353EFV-M 1ch高電流LEDコントローラ
ROHM Semiconductor BD18353xシリーズ1ch高電流LEDコントローラは、AEC-Q100の認定を受けており、内蔵ハイサイド電流検出アンプを搭載しています。このLEDコントローラは、2系統の内蔵アナログ調光機能、過電圧保護(OVP)、短絡保護(SCP)が特徴です。PWM調光は、内蔵PWM生成回路を使用して無料でセットできます。このLEDコントローラは、5V~65Vの入力電圧範囲および-40°C~125°Cの温度範囲で動作します。BD18353EFV-M 1ch大電流LEDコントローラは、車載用外装ランプに最適です。特徴
- AEC-Q100認定(Grade 1)
- レールツーレール電流検知アンプ
- PWM調光信号発生器
- 過電圧保護(OVP)
- 短絡保護(SCP)
- アナログ調光(2つのシステム)
- DRLモード(100%負荷)有効
- 異常なLED状態を出力(FAULT_B)
- スペクトラム拡散周波数変調ON/OFF (SSFM_B)
仕様
- 動作温度範囲:-40°C ~125°C
- 入力電圧範囲:5V~65V
- LED電流検出電圧精度:±3%
- 最大出力電圧:65V
- スイッチング周波数範囲:200kHz~2.5MHz
アプリケーション
- 車載用外装ランプ:
- リア、ターン、DRL/ポジション、フォッグ、ハイビーム、ロービーム
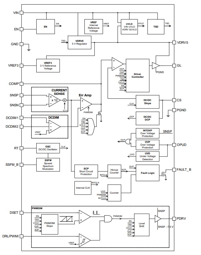
ブロック図
アプリケーション回路図
公開: 2021-03-23
| 更新済み: 2022-03-11
