特徴
- BD62012BFS
- 150°整流ロジック
- PWM制御(上部アームスイッチング)
- BD62018BFS
- 180°正弦波整流ロジック
- PWM制御(上部と下部のアームスイッチング)
- 1°間隔で0°~+30°の位相制御に対応
- 回転方向スイッチ
- パルス番号スイッチ(4または12) を用いたFG信号出力
- VREG出力 (5V/30mA)
- OCP、TSD、UVLO、MLP、提供される外部障害入力保護回路
アプリケーション
- エアコン
- 空気清浄機
- ウォーターポンプ
- 食器洗い機
- 洗濯機
データシート
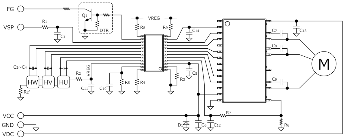
標準アプリケーション回路
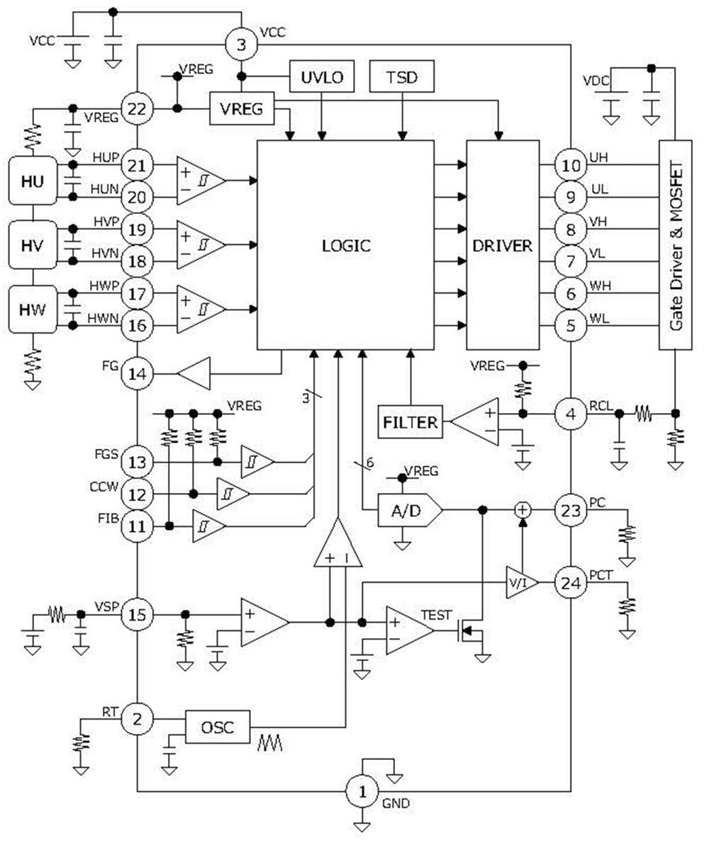
ブロック図
公開: 2024-05-30
| 更新済み: 2024-06-06
