ROHM Semiconductor BD34302EKV MUS-IC™シリーズ32ビットステレオオーディオDAC
ROHM Semiconductor BD34302EKV MUS-IC™ シリーズ 32ビット ステレオオーディオDACは、ロームの卓越した音質設計技術を統合した高音質オーディオ用に開発された製品です。DWAによりTHD性能が向上し、HD(High-Definition)モノラルモードでより高い解像度とより自然な音質を実現しています。また、ROHMのBD34302EKVは、自動モード切り替え機能を備えており、PCMとDSDのフォーマットやさまざまなサンプリング周波数を簡単に切り替えられます。特徴
- MUS-ICシリーズ
- SNR:130dB(標準)、THD+N:-115dB(標準)
- サンプリング周波数:32kHz〜1536kHz
- DSD 2.8MHz、5.6MHz、11.2MHz、22.5MHz対応
- ステレオモード(2ch)、モノラルモード(1ch)、HD(High Definition)モノラルモード(1ch)対応
- 2種類のデジタルFIRフィルタ
- 2種類のDWAアルゴリズム
- 自動モード切替機能
- マルチビットΔΣデータ入力対応
- 選択可能な4つのデバイスアドレス(38h/3Ah/3Ch/3Eh)
- HTQFP64BV 12,0mm x 12,0mm x 1,0mmパッケージ
アプリケーション
- スマートスピーカ
- 高解像度オーディオ
- CD/SACDプレーヤー
- デジタルオーディオプレーヤー(DAP)
- USB-DAC、その他
仕様
- 電源電圧範囲(AVCC):4.5V〜5.5V
- 電源電圧範囲(DVDD):1.4V〜1.6V
- 電源電圧範囲(DVDDIO):3.0V〜3.6V
- SNR:130dB(標準)
- THD+N:-115dB(標準)
- ダイナミックレンジ:130dB(標準)
- 動作温度範囲:-40°C~ +85°C
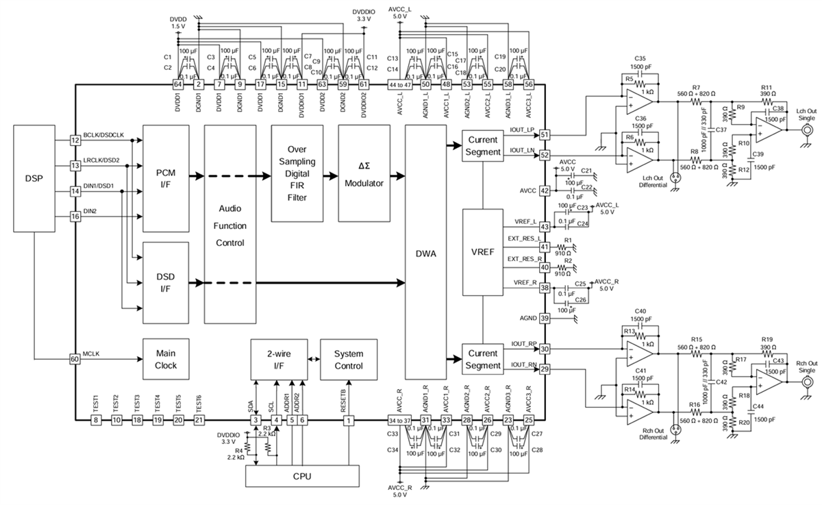
標準アプリケーション回路
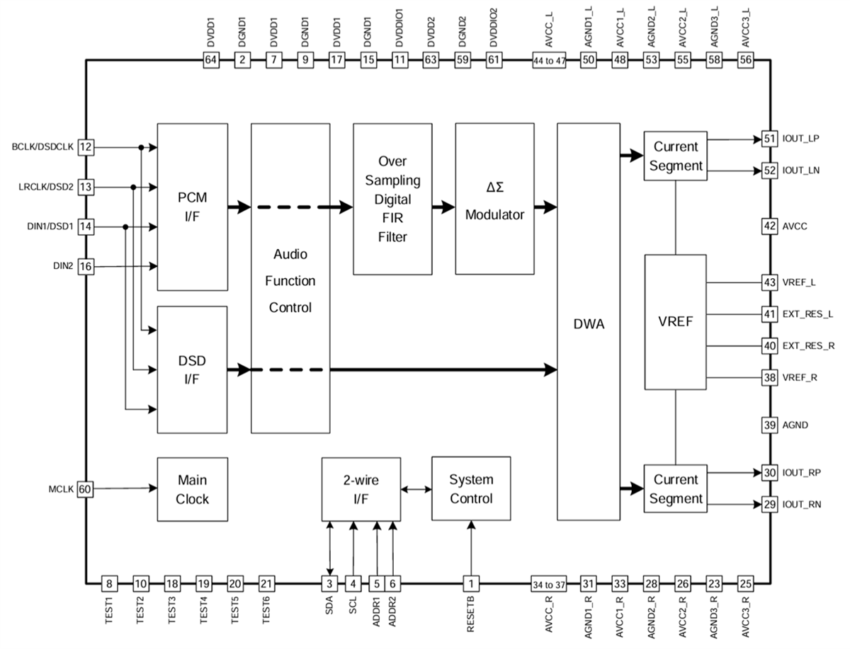
ブロック図
公開: 2025-01-06
| 更新済み: 2025-07-17
