ROHM Semiconductor BD41044FJ-C CAN FDトランシーバ(車載用)

ROHM Semiconductor BD41044FJ-C CAN FDトランシーバ(車載用)は、CAN-FD通信(ISO 11898-2:2016に完全準拠)を目的としています。このデバイスには、高速CAN-FD通信(最大5Mbps)に必要なトランスミッタとレシーバとして機能する回路が装備されています。

特徴

  • AEC-Q100認定を取得済
  • 40Kbps 5Mbpsの伝送速度
  • 省電力モード対応
  • 安定 化バスレベルのためのスプリット電圧出力
  • 低電圧検出機能
  • 熱シャットダウン(TSD)機能
  • TXDドミナント・タイムアウト機能(通常モード) 
  • CANバス・ドミナント・タイムアウト機能 (スタンバイモード)
  • バスウェイクアップ機能

アプリケーション

  • 自動車ネットワークのCAN通信

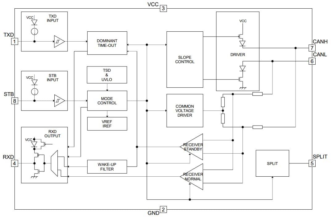
ブロック図

ブロック図 - ROHM Semiconductor BD41044FJ-C CAN FDトランシーバ(車載用)
公開: 2022-02-01 | 更新済み: 2022-03-11