ROHM Semiconductor BD6787xMWV-Z ブラシレス DC モーター用ゲートドライバ
ローム株式会社 (ROHM Semiconductor) の BD6787xMWV-Z ブラシレス DC モータ用ゲートドライバは、三相ブラシレス DC モーター用途向けに設計されています。ローム株式会社 (ROHM Semiconductor) のこれらの IC は、3つのハーフブリッジを駆動し、それぞれは最大 60V の NチャネルパワーMOSFET 6個で構成されています。BD67870MWV-Z は 6x PWM モードを備えており、BD67872MWV-Z は 3x PWM モードを備えています。BD67871MWV-Z は革新的なアクティブゲートドライブ (TriC3™) を搭載しており、モータ駆動システムで使用される MOSFET パワーデバイスにおいて EMI を抑制し、発熱を低減します。TriC3 は、MOSFET パワーデバイス周辺の各種電圧を監視し、この電圧情報を用いて MOSFET パワーデバイスのゲート駆動電流を知的に制御することで、これらの機能を実現します。特徴
- 4.5V~60Vの広い入力電圧範囲
- ブートストラップゲートドライバ(電流源回路内蔵):100% デューティサイクル動作およびトリクルチャージポンプを搭載したハイインピーダンス(HiZ)状態に対応
- サーマルシャットダウン、入力V CC、およびゲートドライバ VREG の UVLO 保護
- 超低 IVCCQ(スリープモード時 <>
- 外付け抵抗によって調整可能なデッドタイム制御:10ns〜3000ns
- 6x (BD67870MWV-Z)または3x (BD67872MWV-Z) PWMモード(入力ロジック)
アプリケーション
- 3相、ブラシレス、DCモータ
- 永久磁石同期モータ
- 動力工具
- 電動バイク、モビリティ
仕様
- ゲートドライバ強度(ソース側)
- BD67870MWV-Z および BD67872MWV-Z:定格 0.5A(代表値)
- BD67871MWV-Z:定格 0.7A(代表値)
- 4.5V ~ 60V の VCC動作範囲」
- 1A(代表値)のゲートドライバ強度(シンク側)
- 3.8V(代表値)の UVLO 検出電圧 VCC
- 接合部温度 最大 +150°C
ビデオ
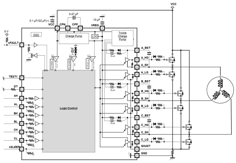
BD67870/BD67872ブロック図
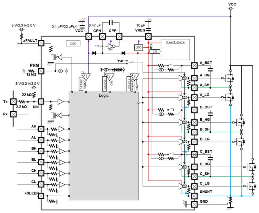
BD67871のブロック図
公開: 2025-10-08
| 更新済み: 2026-01-19
