ROHM Semiconductor BD83816EFV-M 16ch LEDドライバIC
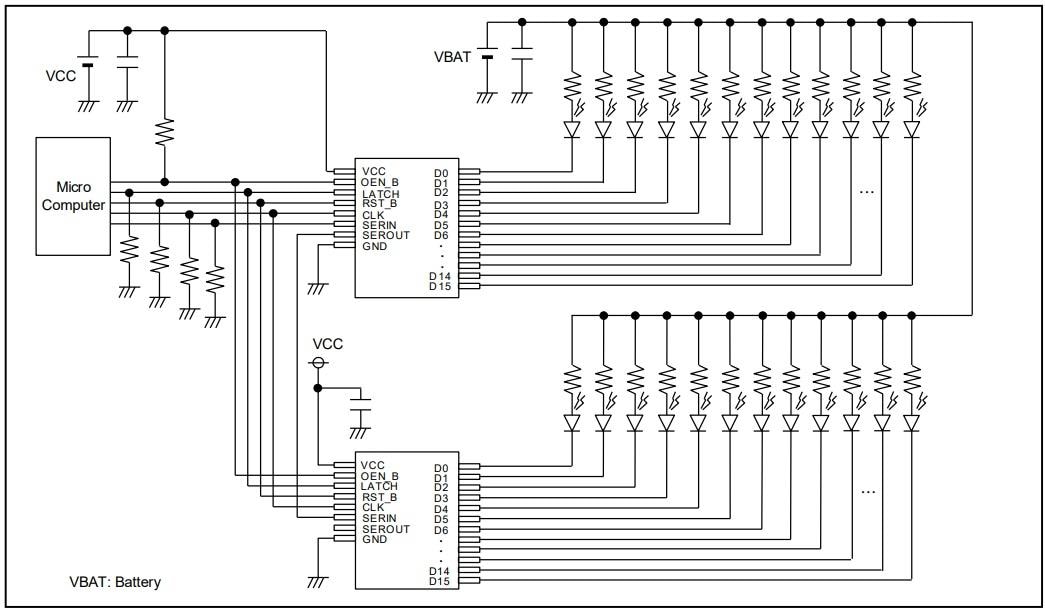
ROHM Semiconductor BD83816EFV-M16チャネル LED ドライバ IC は、35V出力電圧定格を備えたシリアルインパラレルアウト制御の LED ドライバです。この AEC-Q100認定LEDドライバには、3線式シリアルデータの入力が備わっており、16チャンネルのオープンドレイン出力のオン/オフを切り替えることができます。BD83816EFV-MドライバICは、3V ~ 5.5Vの入力電圧範囲、内蔵16チャンネルパワートランジスタ、オープンドレイン出力が特徴で、HTSSOP-B24パッケージに収められています。このデバイスは、カスケード接続との互換性があり、20V/µs出力スルーレートが備わっています。BD83816EFV-M 16チャンネルLEDドライバは、省スペース化に最適で、クラスタパネルおよび車載アプリケーションのインジケータに適しています。特徴
- AEC-Q100認定(Grade 1)
- オープンドレイン出力
- 3線式シリアル制御+イネーブル信号
- カスケード接続互換
- パッケージ HTSSOP-B24
- 内部16チャンネルパワートランジスタ
- 出力スルーレート 20V/μs(標準 - 低EMCノイズ)
アプリケーション
- クラスタパネルのインジケータ
- 自動車
ブロック図
標準アプリケーション回路
公開: 2024-01-18
| 更新済み: 2024-04-30
