特徴
- 二次側同期整流の 内部FET異常検出機能
- 内部過電圧検出回路(OVP) 外部調整可能、高精度: 2%)
- FET OFF閾値 電圧による効率性の向上を調整可能
- 各FETのソースを個別に監視可能
- 内部スタンバイモード自動判定 機能
- 内部多目的コンパレータ
- スロースタート機能を使用すると、起動時およびスイッチング動作の開始時にFET異常検出機能を設定できます。
- ワイド入力電圧範囲5.0V~32V
- D1、D2ピン120V(最高)破壊電圧
- フロー互換SOP14パッケージ
アプリケーション
- 絶縁LLCタイプAC/DC電源
- アダプタ、TV、プリンタ、オフィス機器など
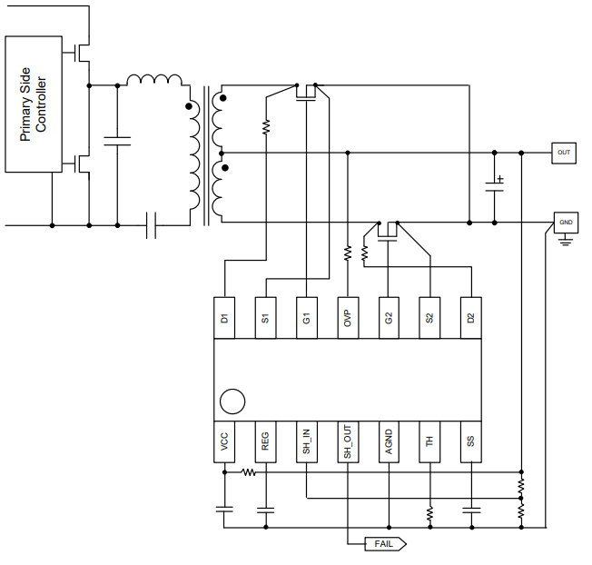
標準アプリケーション回路
公開: 2022-02-01
| 更新済み: 2022-03-11
