ROHM Semiconductor BD9573MUF-M車載パワーマネジメントIC
ROHM Semiconductor BD9573MUF-M車載パワーマネジメントIC(PMIC)は、車載インフォティメント(IVI)システムおよび計器クラスタパネルのRenesas Electronics R-Car D3シリアルプロセッサと併用するように特別に設計されています。BD9573MUF-M PMICは、エラー制御用のステータスレジスタを活用したI2C制御に対応します。また、内蔵出力シーケンス制御を搭載し、DDR3L/DDR3メモリのサポートがあります。統合保護機能には、低電圧ロックアウト(UVLO)、過電流保護(OCP)、過電圧保護(OVP)、低電圧保護(OVP)、短絡保護(SCP)、熱シャットダウン(TSD)があります。ROHM Semiconductor BD9573MUF-M車載用PMICは、ウェッタブルフランクを施したVQFN56FV8080パッケージでご用意があり、 AEC-Q100認定を取得済および-40°C~+105°C動作温度範囲が特徴です。
特徴
- AEC-Q100 Grade 2認定済
- R-car D3のパワーマネジメント(*Iout ≦ 5.2Aの場合にE3)
- 内蔵出力シーケンス制御
- DDR3L/DDR3メモリをサポート
- パワーアップ(電源投入)およびパワーダウン(電源切断)シーケンスと状態制御をカスタマイズ可能
- プロセッサ・インターフェースとイベント検出機能を活用した電源制御ロジック
- 3.0V~3.6V入力電圧範囲
- 出力電圧精度1.8%
- 2.25MHz ±10%スイッチング周波数
- 内蔵フィードバックレジスタ/補償回路/放電機能
- 内蔵電源正常(PGD端子)
- 内蔵ウィンドウタイプ・ウォッチドッグタイマ(WDT)
- 内蔵ステータスレジスタによるI2C制御
- 内蔵UVLO、SCP、OVP、UVP、OCP、TSD保護
- シーケンス時間の調整(SEQCNT1、2)
- EEPROMをサポート
- -40ºC~+105ºC動作温度範囲
- 8.0mm x 8.0mm x 1.0mm VQFN56FV8080パッケージ(0.5mmピッチ)
アプリケーション
- 車載インフォテイメント(IVI)システム
- 計器クラスタパネル
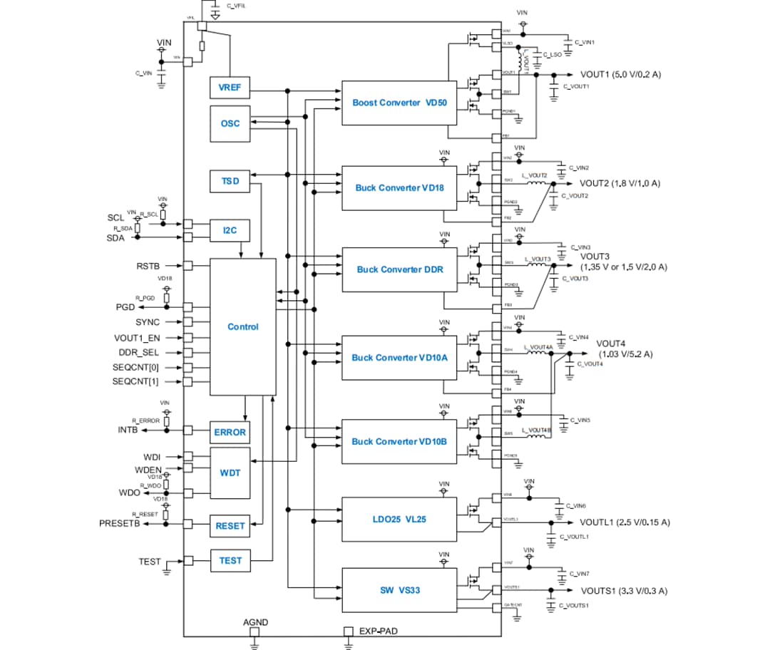
ブロック図
パッケージ外形
公開: 2021-11-29
| 更新済み: 2022-03-11
