ROHM Semiconductor BD9Pシリーズ・シングル2.2MHzバックDC/DCコンバータ
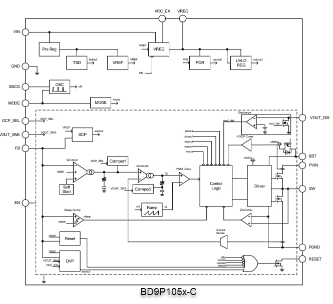
ROHM Semiconductor BD9Pシリーズ・シングル2.2MHzバックDC/DCコンバータは、電流モード同期バックDC/DCコンバータで、パワーMOSFETが集積されています。これらのコンバータは、低電圧ロックアウト(UVLO)、熱シャットダウン(TSD)、出力過電圧、短絡に対する保護が特徴です。BD9P1x-Cシリーズ 降圧DC/DCコンバータは、スペクトラム拡散スイッチング機能および外部同期機能を選択できます。これらのDC/DCコンバータは、電源電圧範囲3.5V~40Vおよび温度範囲-40°C~+125°Cで動作します。ROHM Semiconductor BD9Pコンバータは、車載電源および家電電源に適しています。特徴
- Nano pulse control™
- AEC-Q100認定
- 最小ONパルス 50ns(max)
- パワーMOSFETが集積されている同期降圧DC/DCコンバータ
- ソフトスタート機能
- 電流モード制御
- リセット機能
- 自己消費電流 10μA(Typ) 、12V入力から5V出力
- 軽負荷モード(LLM)
- 強制パルス幅変調(PWM)モード
- 位相補償を搭載
- スペクトラム拡散スイッチングを選択可
- 外部同期機能
- 過電流保護(OCP)を選択可
- 入力低電圧ロックアウト(UVLO)保護
- 熱シャットダウン(TSD)保護
- 出力過電圧保護(OVP)
- 短絡保護(SCP)
仕様
- 電源電圧範囲 3.5V~40V
- 動作温度範囲:-40°C~+125°C
- スイッチング周波数2.2MHz
アプリケーション
- 車載用駆動電源
- 家電用駆動電源
アプリケーション
ビデオ
公開: 2021-01-04
| 更新済み: 2024-10-29
