ROHM Semiconductor BDxxGA3WEFJ / BDxxGA3WNUX LDO電圧レギュレータ
ROHM Semiconductor BDxxGA3WEFJ / BDxxGA3WNUX LDO電圧レギュレータは、出力電流300mAに対応します。電圧レギュレータは、±1%出力電圧精度、ゼロµAシャットダウンモード、内蔵過電流保護(OCP)、内蔵熱シャットダウン回路(TSD)が特徴です。これらのBDxxGA3WEFJ / BDxxGA3WNUX LDO電圧レギュレータは、固定式よび可変式の両方の出力電圧機器で販売されています。可変出力電圧機器は、外付け抵抗器を使用して1.5V~13Vの間で調整できます。これらのLDOレギュレータは、外付け抵抗器を使用しないさまざな固定式出力電圧機器でもご用意があります。BDxxGA3WEFJ / BDxxGA3WNUX電圧レギュレータは、HTSOP-J8(4.90mm x 6mm x 1mm)およびVSON008X2030(2mm x 3mm x 0.60mm)小型パッケージでご用意があります。これらのLDOレギュレータは、さらに小さなレイアウトと長寿命を実現できるセラミックコンデンサでの使用に有用です。LDOレギュレータは、広範なデジアル家電アプリケーションに使用します。特徴
- ±1%の出力電圧精度
- 内蔵過電圧保護(OCP)
- 内蔵熱シャットダウン回路(TSD)
- ゼロµAシャットダウンモード
仕様
- 4.5V~14V入力電源電圧範囲
- 1.5V~13V出力電圧範囲(可変式)
- 1.5V/1.8V/2.5V/3V/3.3V/5V/6V/7V/8V/9V/10V/12V出力電圧(固定式)
- 0.3A最大出力電流
- -25℃~85℃動作温度範囲
- パッケージ:
- HTSOP-J8 (EFJ): 寸法4.90mm x 6mm x 1mm
- VSON008X2030 (NUX): 寸法2mm x 3mm x 0.60mm
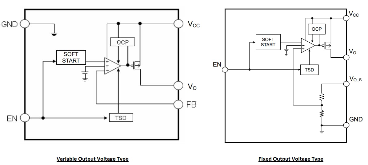
ブロック図
標準アプリケーション回路
View Results ( 23 ) Page
| 部品番号 | データシート | 出力電圧 | 出力電流 | 出力タイプ | Pd - 電力損失 | 出力数 | 取り付け様式 |
|---|---|---|---|---|---|---|---|
| BD50GA3WEFJ-E2 | ![]() |
5 V | 300 mA | Fixed | 2.11 W | 1 Output | SMD/SMT |
| BD60GA3WEFJ-E2 | ![]() |
6 V | 300 mA | Fixed | 2.11 W | 1 Output | SMD/SMT |
| BD00GA3WEFJ-E2 | ![]() |
300 mA | Adjustable | 2.11 W | 1 Output | SMD/SMT | |
| BD80GA3WNUX-TR | ![]() |
8 V | 300 mA | Fixed | 1.7 W | 1 Output | SMD/SMT |
| BD15GA3WNUX-TR | ![]() |
1.5 V | 300 mA | Fixed | 1.7 W | 1 Output | SMD/SMT |
| BD18GA3WNUX-TR | ![]() |
1.8 V | 300 mA | Fixed | 1.7 W | 1 Output | SMD/SMT |
| BD25GA3WNUX-TR | ![]() |
2.5 V | 300 mA | Fixed | 1.7 W | 1 Output | SMD/SMT |
| BD80GA3WEFJ-E2 | ![]() |
8 V | 300 mA | Fixed | 2.11 W | 1 Output | SMD/SMT |
| BD90GA3WNUX-TR | ![]() |
9 V | 300 mA | Fixed | 1.7 W | 1 Output | SMD/SMT |
| BD33GA3WEFJ-E2 | ![]() |
3.3 V | 300 mA | Fixed | 2.11 W | 1 Output | SMD/SMT |
公開: 2021-05-04
| 更新済み: 2022-03-11

