ROHM Semiconductor BH76360FVビデオドライバ
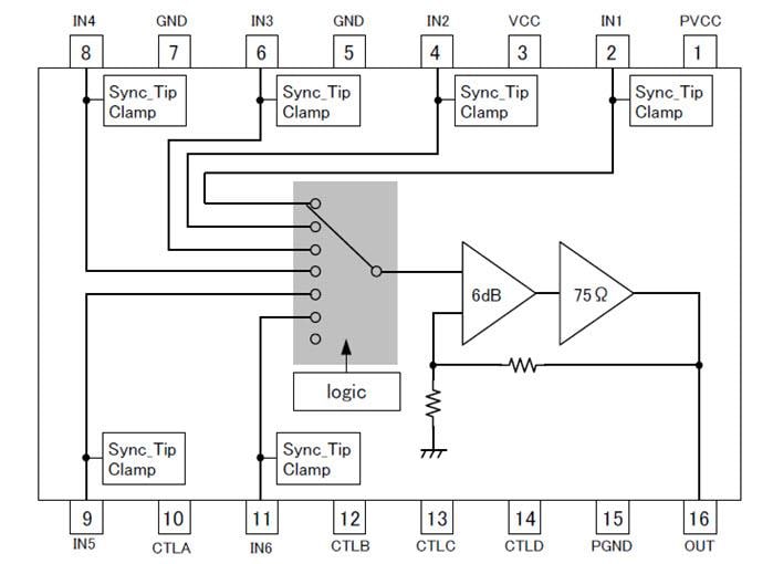
ROHM Semiconductor BH76360FVビデオドライバは、ビデオ信号スイッチングICです。 BH76360FVビデオドライバは、6つの入力と1つの回路入力が特徴で、広いダイナミックレンジと周波数応答が備わっています。 BH76360FVはVCC=2.8Vでの低電圧起動で利用することができるため、低給電モバイルデバイスに理想的です。 BH76360FVビデオドライバは、6dBのビデオアンプとビデオドライバの有無、シンクチップクランプタイプとバイアス(抵抗終端)タイプの入力の組合せの使用産むに応じて、広範な入力信号に対応しています。The ROHM Semiconductor BH76360FV Video Driver supports a broad range of input signals, depending on whether or not a 6dB video amplifier and video driver is included and what combination of sync tip clamp type and bias (resistor termination) type inputs are used.
特徴
- Low input voltage requirement
- Wide output dynamic range
- Excellent 100kHz to 10MHz 0dB frequency response
- No crosstalk between channels (-65dB, f=4.43MHz typical)
- Built-in standby function, circuit current during standby is 0μA
- Sync tip clamp input
- Integrated 6dB amp and 75Ω driver
- Enables two load drivers when using an output coupling capacitor
- Able to be used without output coupling capacitor
仕様
- 2.8V to 5.5V supply voltage range
- 12mA operating supply current
- -40°C to +85°C operating temperature range
- 6 inputs
- Clamp input type
- 1 output
アプリケーション
- Automotive infotainment
- Navigation
- Industrial machine vision camera
Block Diagram
公開: 2017-02-21
| 更新済み: 2022-06-16
