ROHM Semiconductor BM1Q0xAFJ-LBE2擬似共振DC/DCコンバータIC
ROHM Semiconductor BM1Q0xAFJ-LBE2擬似共振DC/DCコンバータは、産業機器市場へ向けた、長期の供給を保証するランクの製品です。コンセントが存在する製品に最適なシステムを供給します。これらのICは、内蔵650V許容スターター回路が特徴で、低スタンバイ電力と高速起動に貢献します。ICが軽負荷になると、内蔵バースト動作機能およびICのより低い電流消費のおかげで、待機電力が低減されます。BM1Q0xAFJ-LBE2コンバータICには、ソフトスタート機能、サイクルあたりの過電流保護、過電圧保護、過負荷保護、CSピンオープン保護といった内蔵保護機能が搭載されています。主なアプリケーションは、産業機器、エアコン、ACアダプタ、TVなどです。特徴
- 産業機器に適した長期の供給保証
- 擬似共振方式
- 650V耐圧起動回路
- 軽負荷時バースト動作/周波数低減機能
- 最大周波数:120kHz
- AC入力電圧補正回路
- VCC 端子低電圧保護
- VCC 端子過電圧保護
- サイクルごとの過電流保護回路
- 出力ドライバ12Vクランプ回路
- ソフトスタート機能
- ZT端子トリガマスク機能
- ZT端子過電圧保護
- 出力過負荷保護 (自己復帰)
- CSピン・オープン保護回路(自動再起動)
仕様
- 動作電源電圧範囲:
- 8.9V~26V VCC
- -0.3V ~ 650V VH
- スイッチング動作で600μAの標準電流
- バースト動作で350μAの標準電流
- 動作温度範囲:-40°C~105°C
- サイズ: 4.9mm x 6mm x 1.65mm
- パッケージ SOP-J7S
アプリケーション
- 産業機器
- エアコン
- ACアダプタ
- TVS
標準アプリケーションの回路図
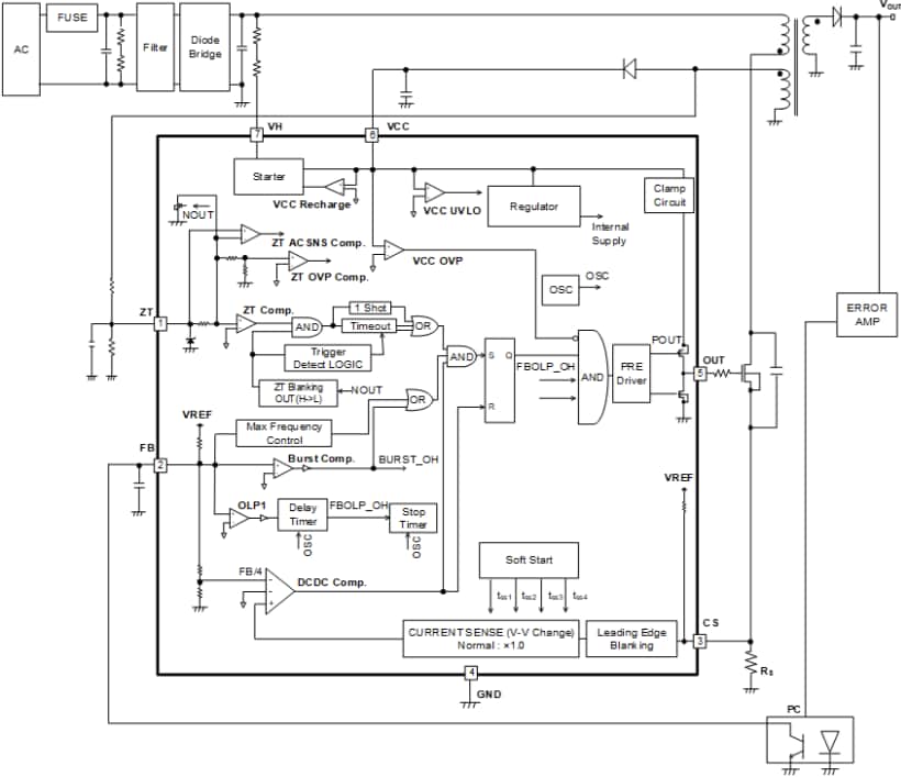
ブロック図
アプリケーションのスキーム図
公開: 2024-05-24
| 更新済み: 2024-06-12
