ROHM Semiconductor BM61M41RFV-EVK002評価ボード
ROHM Semiconductor BM61M41RFV-EVK002 評価ボードは、2つのMOSFETパワーデバイスを駆動し、BM61M41RFV-Cドライバを評価するために設計されています。BM61M41RFV-C ICは、絶縁耐圧が3750Vrms のゲートドライバです。このICには、電源保護のための低電圧ロックアウト(UVLO)機能およびゲート制御用のアクティブミラークランプが組み込まれています。ROHM Semiconductor BM61M41RFV-EVK002 評価ボードは、4.5V〜5.5Vの入力側電源、および9V〜24Vの出力側電源を提供します。この評価ボードは、さまざまなアプリケーションを対象としたゲートドライバファミリの評価を実現しています。特徴
- 入力側電源電圧:4.5V〜5.5V
- 出力側電源電圧:9V〜24V
- ゲート制御用のアクティブミラークランプ
- 入力側および出力側での低電圧ロックアウト(UVLO)機能
寸法図
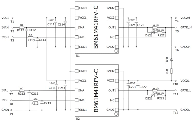
回路図
その他の資料
公開: 2020-02-18
| 更新済み: 2024-09-24
