ROHM Semiconductor BM61S40RFV-EVK002評価ボード
ROHM Semiconductor BM61S40RFV-EVK002 評価ボードは、2つのSiCパワーデバイスを駆動し、BM61S40RFV-Cドライバを評価するために設計されています。BM61S40RFV-C ICは、絶縁耐圧が3750Vrms のゲートドライバです。このICは、低電圧ロックアウト(UVLO)、アクティブミラークランプ、および過電圧保護(OVP)機能を内蔵しています。ROHM Semiconductor BM61S40RFV-EVK002 評価ボードは、4.5V〜5.5Vの入力側電源、および16V〜20Vの出力側電源電圧を提供します。特徴
- 入力側電源電圧:4.5V〜5.5V
- 出力側電源電圧:16V〜20V
- 出力側での過電圧保護(OVP)機能
- 入力側および出力側での低電圧ロックアウト(UVLO)機能
- ゲート制御用のアクティブミラークランプ
寸法図
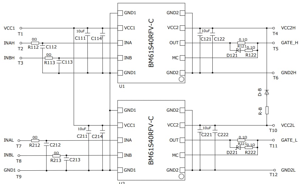
回路図
その他の資料
公開: 2020-02-18
| 更新済み: 2024-09-24
