ROHM Semiconductor BM624xFS 3-Phaseファンモータドライバ
ROHM Semiconductor BM624xFS 三相ファンモータドライバは、出力トランジスタとして600VのPrestoMOSFET™ を内蔵したブラシレスドライバです。このモータドライバは、ダイオードを内蔵したフローティングハイサイドドライバによるブートストラップ動作を特徴としています。ROHM Semiconductor BM624xFS モータドライバは、過電流、過熱、低電圧ロックアウト、外部フォルト入力などに対する保護回路を内蔵しています。これらのモータドライバは、BD6201xコントローラとの組み合わせにより幅広いアプリケーションに最適なモータドライブシステムを提供し、モータユニットの標準化を実現します。代表的なアプリケーションには、エアコン、空気清浄器、水ポンプ、食器洗い機、洗濯機があります。特徴
- 内蔵された保護回路
- 過電流保護(OCP)
- サーマルシャットダウン保護(TSD)
- 低電圧ロックアウト保護(UVLO)
- 外部フォルト入力
- 出力トランジスタとして内蔵PrestoMOSFETを採用
- ダイオードを含む浮動高圧側ドライバによるブートストラップ動作
- 開ドレイン障害出力
仕様
- 600V出力MOSFET電圧
- ±1.5A(最大)ドライバ出力電流(DC)
- 2.7Ω(標準)出力MOSFET DC ON抵抗
- 180°正弦波駆動タイプ
- 接合部温度:+150°C(最大)
- SSOP-A54_23パッケージ(寸法22mm x 14.1mm x 2.4mm)
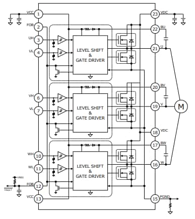
ブロック図
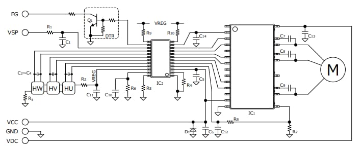
アプリケーション回路図
公開: 2020-04-14
| 更新済み: 2024-09-26
