ROHM Semiconductor BM81810MUF-ME2パワーマネジメントIC
ROHM Semiconductor BM81810MUF-ME2パワーマネジメントICは、VCOMアンプ、Gate Pulse Modulation (GPM) 機能を内蔵し、EEPROMを有しています。このPMIC(パワーマネジメント集積回路)は、正チャージポンプ(VGH 出力)、負チャージポンプ(VGL 出力)を内蔵しています。BM81810MUF-ME2 ICは、低電圧誤動作防止、サーマルシャットダウン、過電流保護、過電圧保護の各機能、および低電圧誤動作防止回路を搭載しています。このPMICは、-40°C~105°C温度範囲、2μA待機電流、2.6V~5.5V入力電圧範囲で動作します。代表的なアプリケーションには、カーナビ、車内センターパネル、計器クラスタがあります。特徴
- AEC-Q100準拠
- 代替品 同期整流降圧型DC/またはLDO(VDD 出力)
- 同期整流昇圧型DC/DCコンバータ(AVDD 出力)、ロードスイッチを内蔵
- VCOMアンプ(7ビット・キャリブレータ搭載)
- 正チャージポンプ(VGH 出力)
- 負チャージポンプ(VGL 出力)
- VGHおよびVCOM温度補償
- ゲートパルス変調(GPM)
- I2Cインターフェイス方式の出力電圧設定制御機能 (EEPROMを内蔵)
- スイッチング周波数の切り替え機能
- 保護回路:
- 低電圧ロックアウト
- サーマルシャットダウン
- 過電流保護
- 過電圧保護
- 低電圧保護
仕様
- 2.6V~5.5Vの入力電圧範囲
- -40°C~+105°C動作温度範囲
- 2μAスタンバイ電流
- 出力電圧 AVDD 5V~17V
- 出力電圧 VGH 8V~35V
- 出力電圧 VGL 4V~-14V
- 出力電圧 VDD 0.9V~3.4V
- 出力電流 VCOM 200mA
- 525KHz、1.05MHz、2.1MHzスイッチング周波数
アプリケーション
- TFT-LCDパネル:
- カーナビゲーション
- 車両内センターパネル
- インストルメントパネル
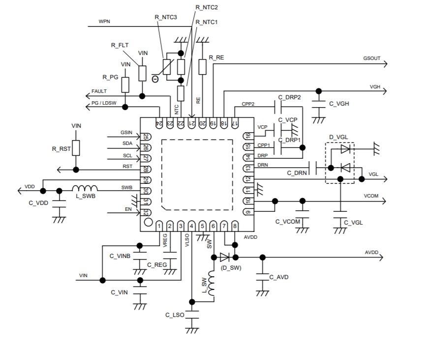
アプリケーション回路
公開: 2021-02-23
| 更新済み: 2024-02-08
