ROHM Semiconductor BM81810MUV-M車載用パネルパワー管理IC
ROHM Semiconductor BM81810MUV-M車載パネル電力管理IC(PMIC)は、カーナビ、車載センターパネル、計器クラスタで使用されるディスプレイパネル用に最適化されています。BM81810MUV-Mには、パネルドライバ(ソース、ゲート、ロジック電源)の電源に加えて、VCOMアンプとゲートパルス変調(GPM)が組み込まれています。また、このデバイスには、シーケンスと出力電圧設定保持を目的としたEEPROMが統合されています。BM81810MUV-Mには、低電圧ロックアウト、熱シャットダウン、過電流保護、過電圧保護、低電圧保護回路が搭載されています。ROHM Semiconductor BM81810MUV-M PMICは、VQFN32SV5050パッケージでご用意があり、車載アプリケーションでの使用に関するAEC-Q100の認定を受けています。
特徴
- AEC-Q100認定(Grade 2)
- VDD出力用の代替同期バックDC-DCコンバータまたはLDO
- 統合負荷スイッチを用いたAVDD出力用の同期ブーストDC-DCコンバータ
- AVDD出力電圧精度:±2%
- VCOMアンプ(7ビット・キャリブレータ搭載)
- VGH出力用の正の充電ポンプ(統合ダイオード、x2/x3)
- 負充電ポンプ(VGL出力用)
- VGHおよびVCOM温度補償
- ゲートパルス変調(GPM)
- I2Cインターフェイス出力電圧設定制御機能(統合EEPROM搭載)
- スイッチング周波数スイッチング機能 (525KHz、1.05MHz、2.1MHz)
- 保護回路
- 低電圧ロックアウト
- サーマルシャットダウン
- 過電流保護
- 過電圧保護
- 低電圧保護(タイマーラッチタイプ)
- 入力耐性(SCL、SDA、EN、WPN)
- 動作温度範囲: -40°C~+105°C
- 5.0mm x 5.0mm x 1.0mm VQFN32SV5050パッケージ
アプリケーション
- 表示パネル
- カーナビゲーション
- 車両内センターパネル
- 計器パネル
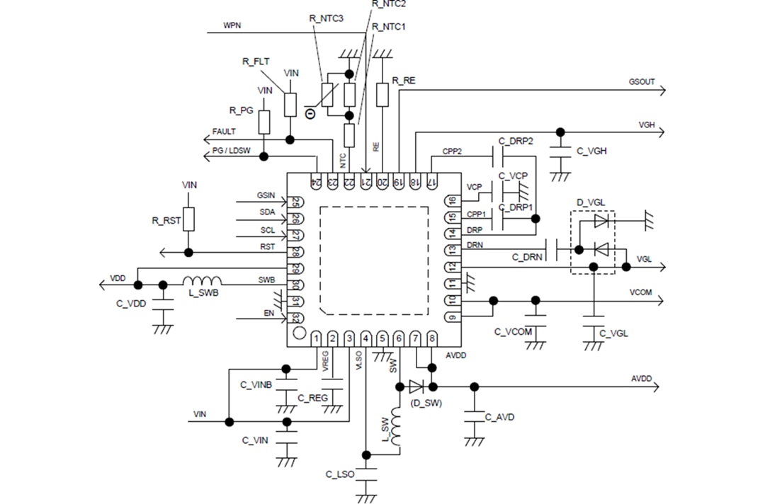
標準アプリケーション回路
パッケージ外形
公開: 2021-03-15
| 更新済み: 2022-03-11
