ROHM Semiconductor Clockless Link™インターフェイスIC
ROHM Semiconductor Clockless Link™インターフェイスICは、パラレルデータをシリアル化し、1対の差動ラインで転送するように設計されています。この1対の転送インターフェイスによって、ケーブルの本数が大幅に削減されています。Clockless LinkインターフェイスICは、高速差動シリアル・インターフェイス、組み込みクロックインターフェイス、低EMI伝送を備えています。これらのICには、0.960Gbps~1.630Gbpsのデータ転送レート、-40~85ºCCの動作温度範囲があります。Clockless LinkインターフェイスICは、カーナビのディスプレイ・インターフェイスおよびプリンタのディスプレイ・インターフェイスに最適です。特徴
- 高速差動シリアルインターフェイス
- 組み込みクロックインターフェイス
- ロック条件信号なし
- リセット信号なし
- 独自のDCバランスプロトコルとスクランブリングによる低EMI伝送
- 動作温度範囲: -40ºC~85ºC
- 伝送データレート: 0.960Gbps~1.630Gbps
- 有効スループット: 0.720Gbps~1.224Gbps
- クロック周波数範囲: 30MHz~51MHz
- I/O電圧範囲: 2.3V~3.6V
- VQFP48パッケージ
アプリケーション
- カーナビディスプレイ・インターフェイス
- プリンタディスプレイ・インターフェイス
ClocklessリンクインターフェイスICのブロック図
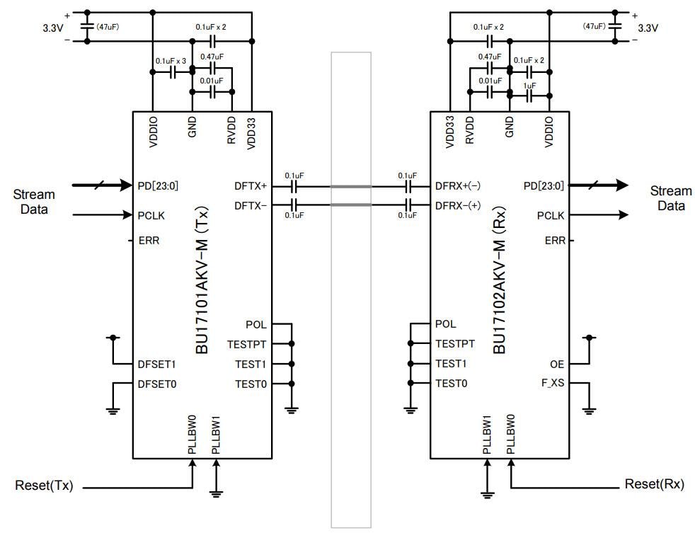
ClocklessリンクインターフェイスICのアプリケーション回路
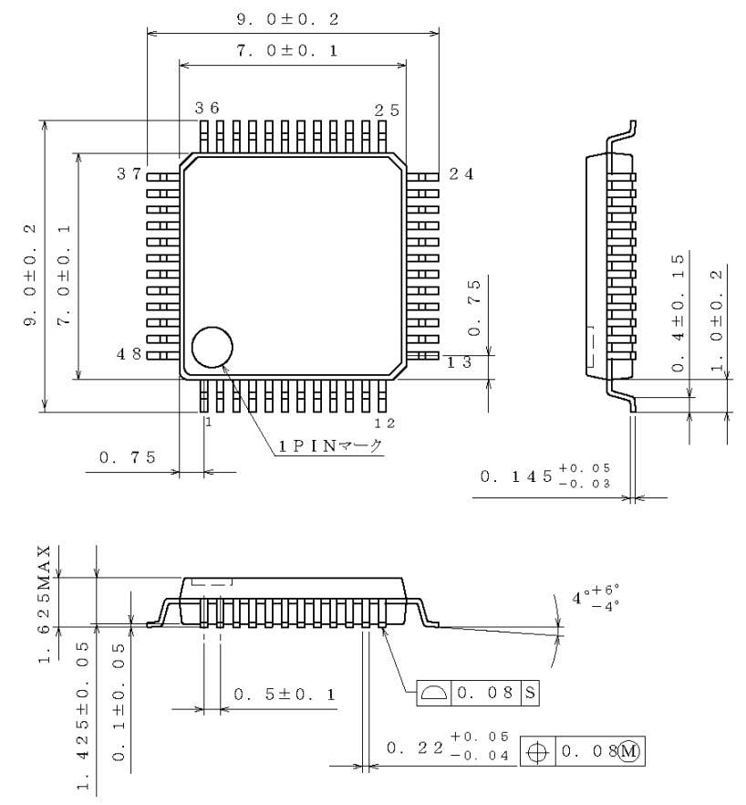
ClocklessリンクインターフェイスICの寸法(mm)
公開: 2018-03-15
| 更新済み: 2023-03-10
