ROHM Semiconductor IGBTインテリジェントパワーモジュール
ROHM IGBTインテリジェントパワーモジュール(IPM)は、高速および低速の両方のスイッチング駆動向けに最適化された絶縁ゲート・バイポーラ・トランジスタです。これらのIPMは、ゲートドライバ、ブートストラップダイオード、IGBT、フライホイールダイオードで構成されています。これらのモジュールには、10A~30Aの出力電流範囲があります。IGBT IPMは、3相DC/ACインバータ、ローサイドIGBTオープンエミッタ、ハイサイドIGBTゲートドライバ、ローサイドIGBTゲートドライバ、故障信号が特徴です。典型的なアプリケーションには、低速および高速スイッチング駆動があります。特徴
- 3層DC/ACインバータ
- IPMは、高速および低速の両方のスイッチング駆動向けに最適化された600V IGBTです。
- 10A~30Aの出力電流範囲
- ハイサイドIGBTゲートドライバ
- シリコンオンインシュレータ(SOI)プロセス
- 駆動回路
- 高電圧レベルシフト
- ブートストラップ・ダイオードの電流制限
- 制御供給不足電圧ロックアウト(UVLO)
- ローサイドIGBTゲートドライバ
- 駆動回路
- 短絡電流保護(SCP)
- 制御供給UVLO
- サーマルシャットダウン機能(TSD)
- ローサイドIGBTオープンエミッタ
- 内蔵ブートストラップ・ダイオード
- 故障信号
- 3.3Vおよび5Vライン入力インターフェイス
アプリケーション
- モータの高速スイッチング駆動
- 洗濯機
- ファン
- モータの低速スイッチング駆動
- エアコン
- 冷蔵庫
仕様
- 1.5V(typ)IGBTのコレクタ-エミッタ電圧(VCESAT)
- 1.5V(typ)順電圧(VF)
- 100ns(typ)逆回復時間(Trr)
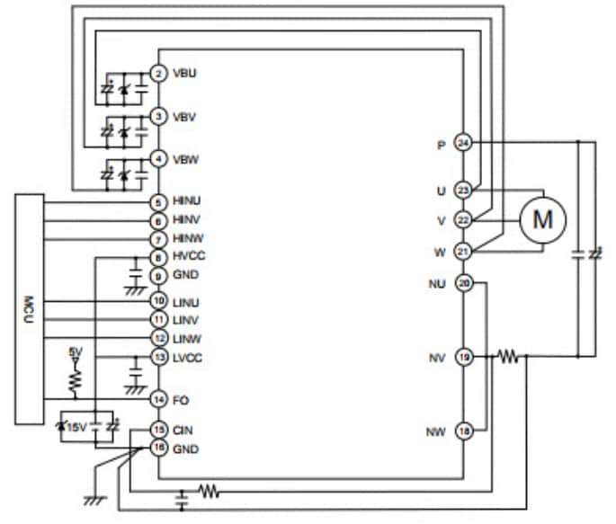
標準アプリケーション回路
公開: 2017-09-15
| 更新済み: 2022-06-27
