ROHM Semiconductor RB-D62Q1325MB16リファレンスボード
ROHM Semiconductor RB-D62Q1325MB16 リファレンスボードは、低消費電力かつ高性能なアプリケーション向けに最適化された16ビット RISC CMOSマイクロコントローラ、LAPIS ML62Q1325の機能を紹介するために設計されています。このリファレンスボードは、開発者が効率的な処理とリアルタイム制御を必要とする組込みシステムを試作するための汎用的なプラットフォームを提供します。ML62Q1325を搭載したこのボードは、内蔵フラッシュメモリとRAMを搭載しており、オプションで外部メモリも利用できるため、さまざまなアプリケーションに適しています。ボードはアナログデジタルコンバータ(ADC)、タイマ、UART、SPI、I2Cなどの一般的な通信プロトコルを含むさまざまなI/Oインターフェイスをサポートしており、センサ、アクチュエータ、その他のペリフェラルとのシームレスな統合が可能です。低消費電力のROHM Semiconductor RB-D62Q1325MB16ボードは、バッテリ駆動でエネルギー効率に優れた設計に最適である一方、そのリアルタイム処理機能により、一刻を争うタスクでの迅速な応答時間を保証します。RB-D62Q1325MB16は、コンパクトなフォームファクタと開発ツールおよびソフトウェアサポートにより、産業用制御、家電、車載システムなどのプロトタイピングアプリケーションに最適なソリューションです。
アプリケーション
- 産業用オートメーション
- 家電製品
- センサネットワーク
- 車載システム
概要
電源回路
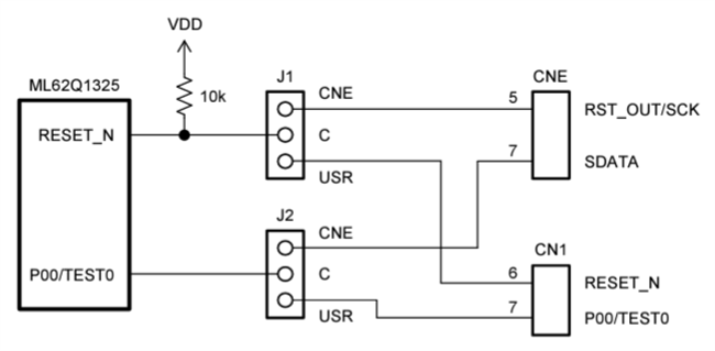
EASE1000 インターフェイス
PCBレイアウト
公開: 2024-12-23
| 更新済み: 2024-12-30
