ROHM Semiconductor RB-D62Q1335TD20リファレンスボード
ROHM Semiconductor RB-D62Q1335TD20 リファレンスボードは、低消費電力で高性能な組み込みアプリケーション向けに最適化されたLAPIS ML62Q1335 16ビットRISC CMOSマイクロコントローラの機能を紹介するために設計されています。このリファレンスボードは、開発者が効率的な処理とリアルタイム制御を必要とするシステムを迅速に評価し、プロトタイプを作成するための汎用的なプラットフォームを提供します。ML62Q1335 MCUを搭載したこのボードは低消費電力で、バッテリ駆動の機器に最適です。フラッシュメモリとRAMを内蔵し、大規模なアプリケーション向けに外部メモリもサポートしています。ROHM Semiconductor RB-D62Q1335TD20ボードは、デジタルI/O、ADC、およびUART、SPI、I2Cなどの通信プロトコルを含む幅広いI/Oインターフェイスを備えており、外部ペリフェラルとの容易な統合を可能にします。そのリアルタイム処理機能により、時間的制約のあるアプリケーションに適している一方、コンパクトな設計はスペース的制約のあるシステムに最適です。開発ツール、サンプルコード、デバッグインターフェイスを備えたRB-D62Q1335TD20 リファレンスボードは、産業用オートメーション、家電、車載システムのアプリケーション開発を加速し、信頼性とエネルギー効率の高いソリューションを提供します。
アプリケーション
- 産業用オートメーション
- 家電製品
- 車載システム
- センサネットワーク
概要
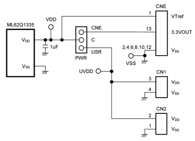
電源回路
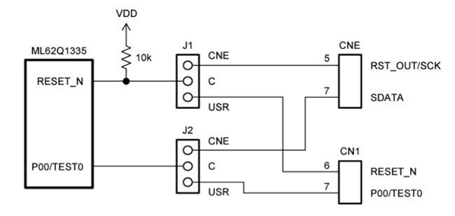
EASE1000 インターフェイス
PCBレイアウト
公開: 2024-12-23
| 更新済み: 2024-12-30
