ROHM Semiconductor RB-D62Q2502TB32リファレンスボード
ROHM Semiconductor RB-D62Q2502TB32 Reference Boardは、LAPIS ML62Q2502 CMOS 16bit RISCマイクロコントローラを軸に構築された開発プラットフォームです。各種エンベデッドアプリケーション用に設計されています。ML62Q2502 MCUはnX-U16/100コアを搭載し、効率的な処理、低電力消費、汎用性の高い周辺機能集積を実現しているため、IoT(Internet of Things:モノのインターネット)と接続、民生機器、産業システムに最適です。本ボードを使用すると、MCU、GPIO、周辺機器を便利に使用できるため、プロトタイプ製作とテストを迅速に行えます。ROHM LEXIDE-U16開発環境をサポートしており、開発者はアプリケーションの書込み、デバッグ、最適化を簡単に行えます。RB-D62Q2502TB32は、スマート家電、車載用システム、ヘルスケア機器などの分野で革新的なソリューションの設計を試みるエンジニアにとって最適なツールです。
特徴
- 出荷形態 LAPIS ML62Q2502 CMOS 16bit RISC MCU、32ピンTQFP
- EASE1000 V2 と接続するためのコネクタを装備
- LSIの端子を、周辺ボード用のスルーホールに配置
- オンチップエミュレータを接続の上で動作電源の選択が可能(EASE1000 V2またはCN1:3ピン)
- 水晶振動子を搭載(32.768KHz)
- LEDを搭載(P20、P21、P22)
- 逐次比較型A/Dコンバータ用の部品を搭載するフットパターンを用意(P30、P31、P32、P33)
- 低電力消費
- 内臓フラッシュメモリとRAM
- 柔軟性の高いI/Oと通信インターフェイス
- リアルタイム処理
- 動作電源電圧範囲 1.8V~5.5V
- 小型サイズの外形寸法、56mm x 94mm x 15mm (WxDxH)
アプリケーション
- 家電製品
- 産業機器
- 車載システム
- ヘルスケアデバイス
- 家電製品
- IoT(Internet of Things:モノのインターネット)とスマートシステム
概要
電源回路
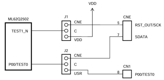
EASE1000 V2インターフェイス
PCBレイアウト
公開: 2024-12-30
| 更新済み: 2025-01-07
