ROHM Semiconductor RB-D62Q2504TB32リファレンスボード
ROHM Semiconductor RB-D62Q2504TB32 Reference Boardは、LAPIS ML62Q2504 CMOS 16bit RISCマイクロコントローラを搭載した汎用性の高い開発プラットフォームです。本ボードは、プロトタイプ製作と評価を容易に行える設計になっており、民生機器、産業機器、スマート家電、車載用補助システムなどの各種用途に幅広く適用できます。ML62Q2504 MCUは、効率的な処理機能、低電力消費、堅牢な周辺機器を内蔵しており、IoT(Internet of Things:モノのインターネット)エンベデッドシステム開発に最適です。本ボードは、ROHM Semiconductor LEXIDE-U16開発ツールに対応しているため、コーディング、デバッグ、最適化プロセスを合理化できます。RB-D62Q2504TB32は、日常生活で利用する技術および産業環境での革新的なソリューションを生み出す強力なツールです。
特徴
- 出荷形態 LAPIS ML62Q2504 CMOS 16bit RISC MCU、32ピンTQFP
- EASE1000 V2 と接続するためのコネクタを装備
- LSIの端子を、周辺ボード用のスルーホールに配置
- オンチップエミュレータを接続の上で動作電源の選択が可能(EASE1000 V2またはCN1:3ピン)
- 水晶振動子を搭載(32.768KHz)
- LEDを搭載(P20、P21、P22)
- 逐次比較型A/Dコンバータ用の部品を搭載するフットパターンを用意(P30、P31、P32、P33)
- 低電力消費
- 内臓フラッシュメモリとRAM
- 柔軟性の高いI/Oと通信インターフェイス
- リアルタイム処理
- 動作電源電圧範囲 1.8V~5.5V
- 小型サイズの外形寸法、56mm x 94mm x 15mm (WxDxH)
アプリケーション
- 家電製品
- 産業機器
- 車載システム
- 医療機器
- スマート家電
概要
電源回路
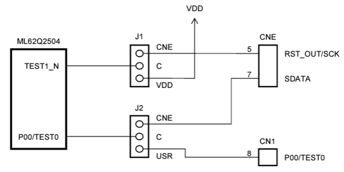
EASE1000 V2インターフェイス
PCBレイアウト
公開: 2024-12-30
| 更新済み: 2025-01-07
