ROHM Semiconductor RB-D62Q2522GD40リファレンスボード
ROHM Semiconductor RB-D62Q2522GD40 リファレンスボードは、LAPIS ML62Q2522 CMOS 16ビット RISC マイクロコントローラを搭載した堅牢な開発プラットフォームで、さまざまな組込みアプリケーション向けに設計されています。低消費電力、効率的な処理機能、内蔵ペリフェラルを備えたこのボードは、車載充電器、バッテリ管理システム、DC/DCコンバータなどの車載システムに最適です。ROHM Semiconductor RB-D62Q2522GD40は、インテリジェントでエネルギー効率の高い設計を必要とするファクトリーオートメーション/制御用産業機器や家電もサポートしています。RB-D62Q2522GD40は、ロームの開発ツールと互換性があるため、プロトタイピング、テスト、最適化を簡素化し、エンジニアが車載、産業、コンシューマー分野にわたる革新的で信頼性の高いソリューションを生み出すことを可能にします。特徴
- LAPIS ML62Q2522 CMOS 16ビット RISC MCU搭載、40ピン WQFNで提供
- EASE1000 V2 と接続するためのコネクタを実装
- LSIのピンと外部周辺ボードを接続するためのスルーホール
- 電源の選択が可能:オンチップエミュレータEASE1000 V2またはCN1:3 ピン
- 32.768KHz 水晶発振子内蔵
- LED搭載(P20、P21、P22)
- 逐次比較型A/Dコンバータ用の部品を搭載したフットパターンを用意(P30、P31、P32、P33)
- 低電力消費
- 内蔵フラッシュメモリとRAM
- 柔軟なI/Oおよび通信インターフェイス
- リアルタイム処理
- 動作電源範囲:1.8V〜5.5V
- サイズ:コンパクトなフォームファクタ、56mm x 94mm x 15mm(WxDxH)
アプリケーション
- 家電製品
- 産業機器
- 車載システム
- 医療機器
- スマート家電
概要
電源回路
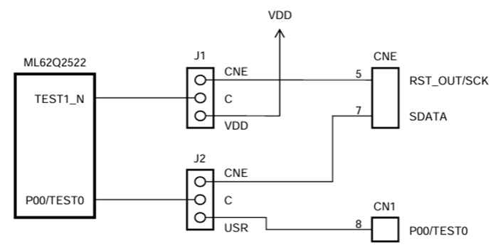
EASE1000 V2 インターフェイス
PCBレイアウト
公開: 2024-12-30
| 更新済み: 2025-01-07
