ROHM Semiconductor RB-D62Q2534TB48リファレンスボード
ROHM Semiconductor RB-D62Q2534TB48 Reference Boardは、LAPIS ML62Q2534 CMOS 16bit RISCマイクロコントローラを搭載した汎用性の高い開発プラットフォームです。本ボードは効率的なプロトタイプ製作と評価を行えるように設計されており、メインインバータ、オンボードチャージャ、バッテリマネジメントシステムを含む車載用システムなどのアプリケーションに最適です。堅牢な処理機能、低電力消費、周辺機能を内蔵しているため、産業オートメーションおよびインテリジェントな民生機器に理想的です。RB-D62Q2534TB48は、ROHMの高度な開発ツールと互換性があり、設計プロセスを合理化できます。エンジニアは、革新的でエネルギー効率に優れた、信頼性の高い最先端のエンベデッドシステムを作成できます。特徴
- 出荷形態 LAPIS ML62Q2534 CMOS 16bit RISC MCU、48ピンTQFP
- EASE1000 V2 と接続するためのコネクタを装備
- LSIの端子を、周辺ボード用のスルーホールに配置
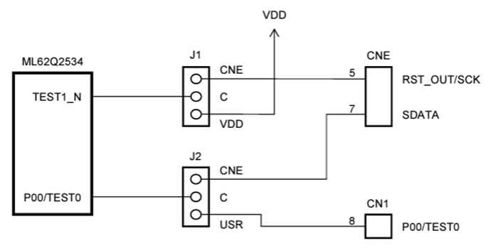
- オンチップエミュレータを接続の上で動作電源の選択が可能(EASE1000 V2またはCN1:3ピン)
- 水晶振動子を搭載(32.768KHz)
- LEDを搭載(P20、P21、P22)
- 逐次比較型A/Dコンバータ用の部品を搭載するフットパターンを用意(P30、P31、P32、P33)
- 低電力消費
- 内臓フラッシュメモリとRAM
- 柔軟性の高いI/Oと通信インターフェイス
- リアルタイム処理
- 動作電源電圧範囲 1.8V~5.5V
- 小型サイズの外形寸法、56mm x 94mm x 15mm (WxDxH)
アプリケーション
- 車載システム
- 産業機器
- 家電製品
概要
電源回路
EASE1000 V2インターフェイス
PCBレイアウト
公開: 2024-12-30
| 更新済み: 2025-01-07
