ROHM Semiconductor RB-D62Q2713TB52リファレンスボード
ROHM Semiconductor RB-D62Q2713TB52 Reference Boardは、LAPIS ML62Q2713 CMOS 16bit RISC MCUを搭載しており、低消費電力、高性能のエンベデッドシステム向けの汎用性の高いソリューションです。本ボードは、産業オートメーション、スマートホーム機器、IoTエッジノード、ポータブル医療機器など、各種のアプリケーションをサポートするように設計されています。ML62Q2713 MCUは、メモリの拡張、複数の通信インターフェイス、LCDドライバなど、高度な機能を集積しているため、効率的な処理と安全な通信が求められるシステムに最適です。本ボードは低電力消費と小型設計を実現しており、電池駆動機器やスペースに制約のある機器に適しています。これに加えて、ADC、UART、SPI、I2Cなどの豊富な周辺機能セットを搭載しており、多様なアプリケーションの開発を簡素化します。ROHM Semiconductor RB-D62Q2713TB52は、産業、民生、IoT市場を網羅して革新的なソリューションのプロトタイプ製作や開発を行える信頼性の高いプラットフォームです。
特徴
- 出荷形態 LAPIS ML62Q2713 CMOS 16bit RISC MCU、52ピンTQFP
- EASE1000 V2 と接続するためのコネクタを装備
- LSIの端子を、周辺ボード用のスルーホールに配置
- オンチップエミュレータを接続の上で動作電源の選択が可能(EASE1000 V2またはCN1:3ピンン/CN2:2ピン)
- 水晶振動子を搭載(32.768KHz)
- LEDを搭載(P20、P21、P22)
- 逐次比較型A/Dコンバータ用の部品を搭載するフットパターンを用意(P23、P24、P25、P26)
- 低電力消費
- 内臓フラッシュメモリとRAM
- 柔軟性の高いI/Oと通信インターフェイス
- リアルタイム処理
- 動作電源電圧範囲 1.8V~5.5V
- 小型サイズの外形寸法、56mm x 94mm x 15mm (WxDxH)
アプリケーション
- 産業オートメーション
- ホーム・ビルディングオートメーション
- IoT(Internet of Things)と接続機器
- ヘルスケアと医療機器
- 家電製品
- 自動車
- エネルギーと電力システム
- エンベデッドプロトタイプと教育
概要
電源回路
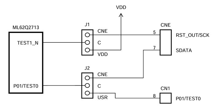
EASE1000 V2インターフェイス
PCBレイアウト
公開: 2024-12-31
| 更新済み: 2025-01-29
