ROHM Semiconductor SLI-343xスルーホール・マルチカラーLED

ROHM Semiconductor SLI-343xスルーホール・マルチカラーLEDは、視野角20 1/2: 40°に対応します。デバイスは、直接取付が可能で高輝度を実現します。SLI-343xマルチカラーLEDは、動作温度-25°C~+85°Cを実現します。

特徴

  • 視野角20 1/2: 40°
  • 高光度
  • 直接取付が可能

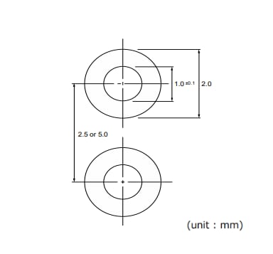
寸法

機械図面 - ROHM Semiconductor SLI-343xスルーホール・マルチカラーLED

推奨はんだパターン

ROHM Semiconductor SLI-343xスルーホール・マルチカラーLED
公開: 2022-07-08 | 更新済み: 2022-07-12