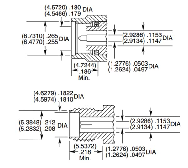
Samtec PRF92高精度ケーブルコネクタ

Samtec PRF92精密ケーブルコネクタは、最大パフォーマンス40GHzおよびインピーダンス定格50Ωの2.92mmの精密なRFインターコネクト(ソリューション)です。これらのケーブルコネクタは、セミリジッドおよび低損失のフレキシブルケーブルを用いて設計されています。Samtec PRF92精密ケーブルコネクタは、さまざまなボード厚で2穴フランジがある圧縮取付ジャックが特徴です。

特徴

  • 2.92mm
  • 最大性能40GHz
  • 50Ωインピーダンス定格
  • セミリジッド・低損失フレキシブルケーブル

インターフェイス規格

Samtec PRF92高精度ケーブルコネクタ
公開: 2022-05-04 | 更新済み: 2022-05-10