onsemi NCV78343シングルチップ・ピクセルコントローラ
Onsemi NCV78343自動車フロント照明用シングルチップ・ピクセルコントローラは、直列LEDストリングの個々のLEDを制御する組み込みスイッチが搭載されたシングルチップ・ピクセルコントローラです。onsemi NCV78343は、自動車ダイナミック照明アプリケーション、特に大電流LED向けに設計されています。ピクセル照明ソリューションを作成するには、LEDは、NCV78763またはNCV78723 LEDドライバといった電流源によって給電される必要があります。NCV78343ピクセルコントローラデバイスは、ピクセルライトECUからピクセル制御パラメータを受信し、必要な光パターンまたは光画像を個々のピクセル調光データに変換します。1つのピクセルコントローラデバイスは、1ピクセルあたり1×または2×の1.4A LEDを最大12ピクセルまで制御可能です。最大LEDストリング電圧は、60Vに制限する必要があります。12ピクセル以上を制御する場合、複数のピクセルコントローラを1つのシステムに組み合わせることができます。
onsemi NCV78343は、マイクロコントローラ(MCU)に接続するために2つの通信インターフェイスを使用します。ユニバーサル非同期レシーバトランスミッタ(UART)は、ローカル接続またはMCUとの接続を目的としたCANトランシーバおよびマルチポイント低電圧差動シグナリング(M-LVDS)をサポートしています。
特徴
- AEC-Q100認定およびPPAP対応
- IMSボードとの互換性があるシングルチップ(単層)
- 複数の構成オプションを備えた12x統合スイッチ
- 最小限の外付け部品
- 以下を介してピクセルライトECUへ通信インターフェイス接続:
- 統合M-LVDS
- CANインターフェイス経由のUART
- M-LVDSとUART間の統合ブリッジ
- 最大32xデバイス、1Mbaudに対応
- ローカルMCUと高精度クロックは不要
- 外部 l2 C EEPROMへのインターフェイス接続
- 統合8ビット・アナログ・デジタル・コンバータ(ADC)
- 調光コントローラ、1チャンネルあたりPWM +位相シフトユニット
- 過熱保護
- 個々のオープン/ショート/OV LED診断フィードバック
- オープンLED故障自動バイパス
- SSOP36 EPパッケージ
- 鉛フリーデバイス
アプリケーション
- ダイナミック適応型駆動ビーム機能
- グレアフリー・ハイビーム
- 静的旋回
- ビームシェーピング
- 光量調整
- 信号灯のウェルカム・アニメーション機能
- ワイピングウインカー
仕様
- バッテリ電源電圧範囲:4.5V〜40V
- 0V〜10Vのスイッチ差動電圧範囲
- 0V〜60VのLEDストリング電圧範囲
- 1.4A最大バックスイッチ出力電流
- 125kbit〜1000kbitのPXN通信速度範囲
- 周囲温度範囲: -40°C~+125°C
- 3.5°C/W(標準)接合部対露出パッド熱抵抗
- ESD定格
- ±2kV人体モデル(HBM)
- ±500V充電デバイスモデル(CDM)
アプリケーション図
ブロック図
システムアーキテクチャ
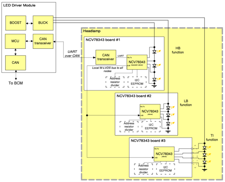
NCV78343は、UARTおよびM-LVDSの2つの通信インターフェイスに対応しています。両方のインターフェイスを活用して通信を行うことができます。最初の例は、LEDドライバモジュールから最初のNCV78343チップへのマスターバスとしてCAN物理層上のUARTインターフェイスと、ハイビーム、ロービーム、方向指示器といった各機能照明のサブモジュール間のローカル接続を目的としたM-LVDSバスを使用しています。2つ目の例はM-LVDSバスのみを使用しています。
CAN-FDおよびM-LVDSの使用
M-LVDSのみを使用
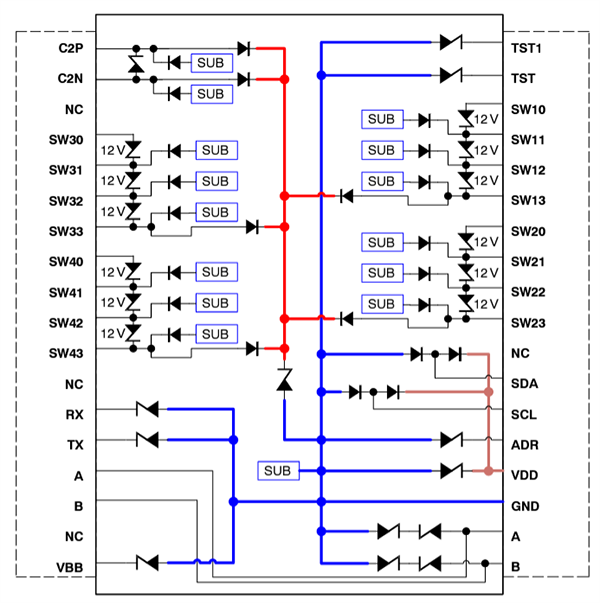
ESD保護回路図
公開: 2024-10-22
| 更新済み: 2024-11-07
