Qorvo ACT85611EVK1-101評価キット

Qorvo ACT85611EVK1-101評価キットは、ACT85611QX101アクティブPMUパワーマネジメントICを実証します。このキットは、各コンバータの入出力電圧および デジタル制御信号へのフルアクセスを実現しています。これによってユーザーは、実際のシステムに適合するようにEVKを構成できる柔軟性が生まれます。ACT85611EVK1-101キットは、12V入力電圧用に設計されており、最大動作電圧はICの最大入力電圧定格によって決定されます。

キット内容

  • EVK 組み立て
  • USB-TO-I2Cドングル
    • ドングル
    • USB-to-I2CドングルをEVK組み立てに接続するカスタム4ピンコネクタ

必要な機器

  • ACT85611EVK1-101
  • USB-TO-I2Cドングル
  • フルパワー動作のための電源: 6Aで12V
  • >100MHzおよび> 4チャンネルオシロスコープ
  • 電子または抵抗負荷、および6A以上の電流容量負荷
  • デジタルマルチメータ(DMM)
  • スペアのUSBポートが備わったWindows対応コンピュータ

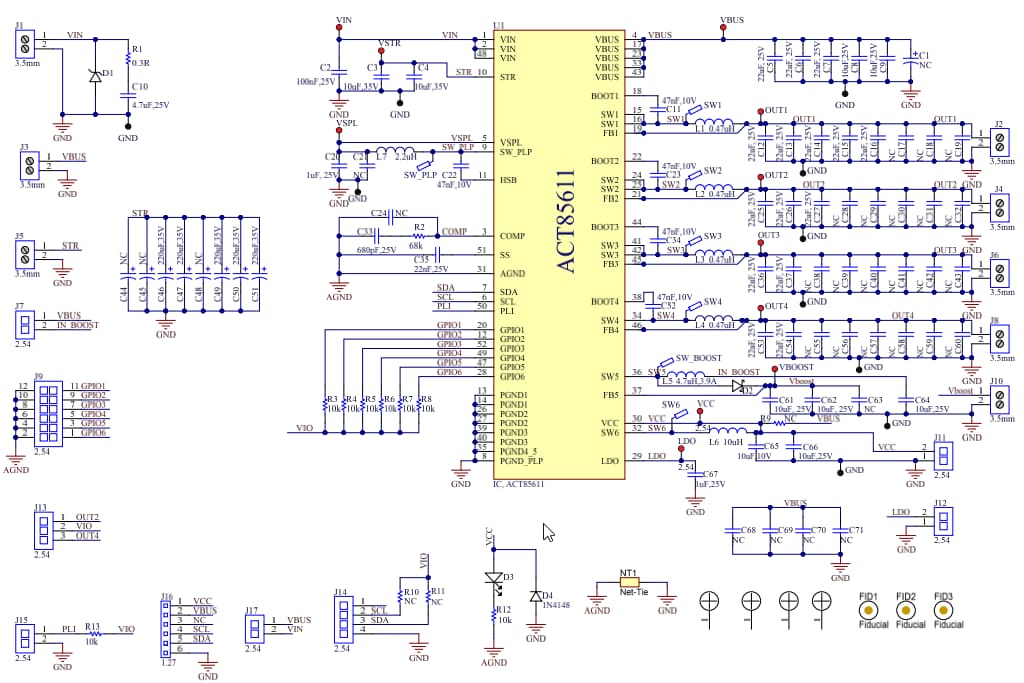
回路図

回路図 - Qorvo ACT85611EVK1-101評価キット

EVKセットアップ

Qorvo ACT85611EVK1-101評価キット
公開: 2025-05-12 | 更新済み: 2025-06-06